LEMON Manuals: Even more car manuals for everyone: 1960-2025
Home >> Cadillac >> 2015 >> SRX Base, 4D Utility >> Repair and Diagnosis >> Body & Frame >> Body, Cab Control Systems >> Power Door Lock System And Release Systems >> Schematic Wiring Diagrams >> Release Systems Wiring Schematics >> Liftgate Release Controls (without TB5)
April 5, 2026: LEMON Manuals is launched! Read the announcement.

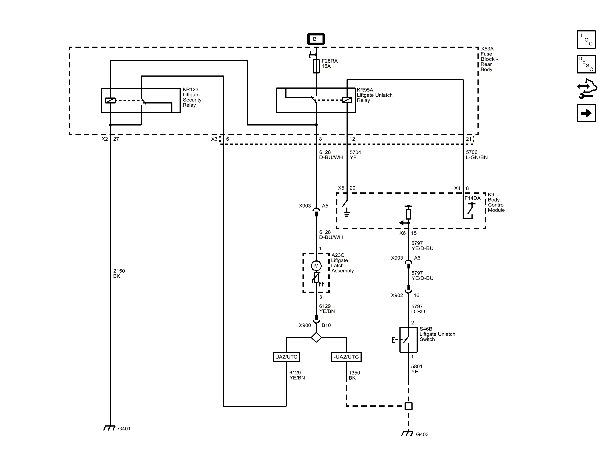
Liftgate Release Controls (without TB5)

Fig 1: Liftgate Release Controls (without TB5)
GM3754612Courtesy of GENERAL MOTORS COMPANY