LEMON Manuals: Even more car manuals for everyone: 1960-2025
Home >> Cadillac >> 2015 >> XTS Base >> Repair and Diagnosis (Single Page) >> Engine Performance >> System >> Data Communication System >> Schematic Wiring Diagrams >> Data Communication Wiring Schematics >> Object Bus
April 5, 2026: LEMON Manuals is launched! Read the announcement.

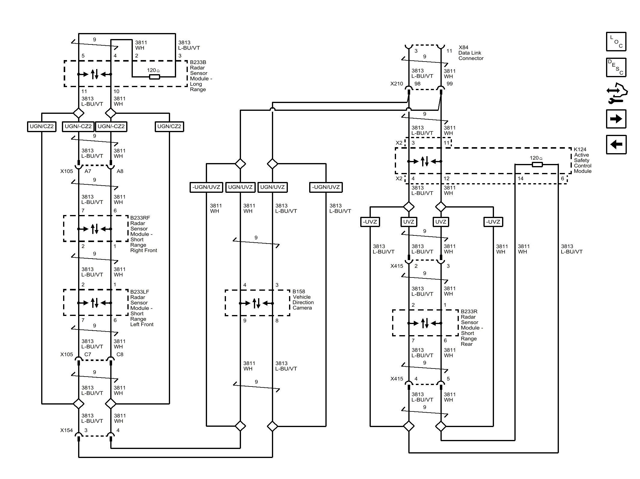
Object Bus

Fig 1: Object Bus
GM3792577Courtesy of GENERAL MOTORS COMPANY