LEMON Manuals: Even more car manuals for everyone: 1960-2025
Home >> Cadillac >> 2015 >> XTS Base >> Repair and Diagnosis >> Engine Performance >> System >> Data Communication System >> Schematic Wiring Diagrams >> Data Communication Wiring Schematics >> MOST 50 Bus
April 5, 2026: LEMON Manuals is launched! Read the announcement.

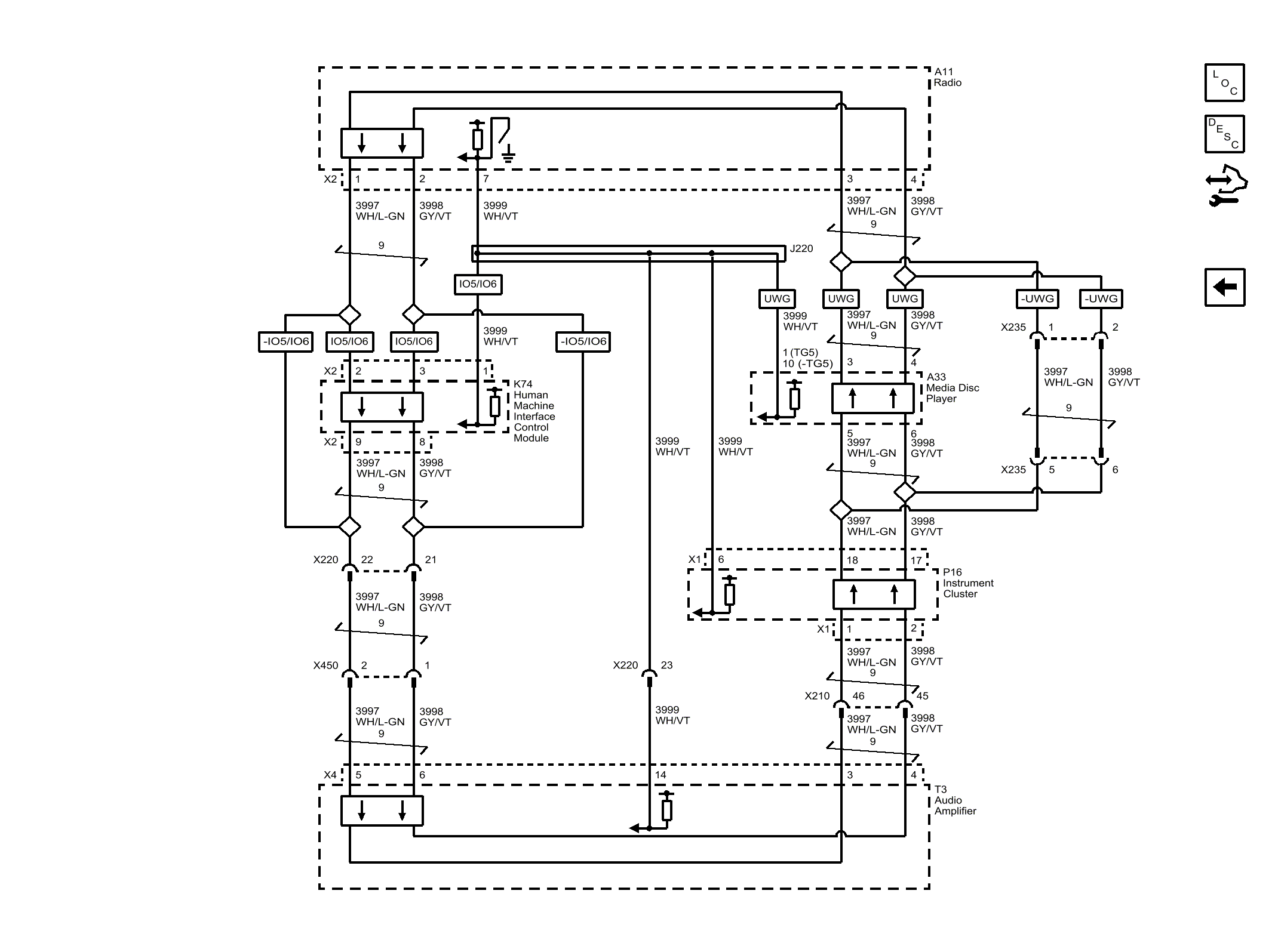
MOST 50 Bus

Fig 1: MOST 50 Bus
GM3792645Courtesy of GENERAL MOTORS COMPANY