LEMON Manuals: Even more car manuals for everyone: 1960-2025
Home >> Cadillac >> 2015 >> XTS Luxury, AWD >> Repair and Diagnosis >> Accessories & Equipment >> Drivers Assistance Systems - ADAS >> Object Detection System And Pedestrian Protection System >> Schematic Wiring Diagrams >> Object Detection Wiring Schematics >> Multifunction Switches (UGN/UVZ)
April 5, 2026: LEMON Manuals is launched! Read the announcement.

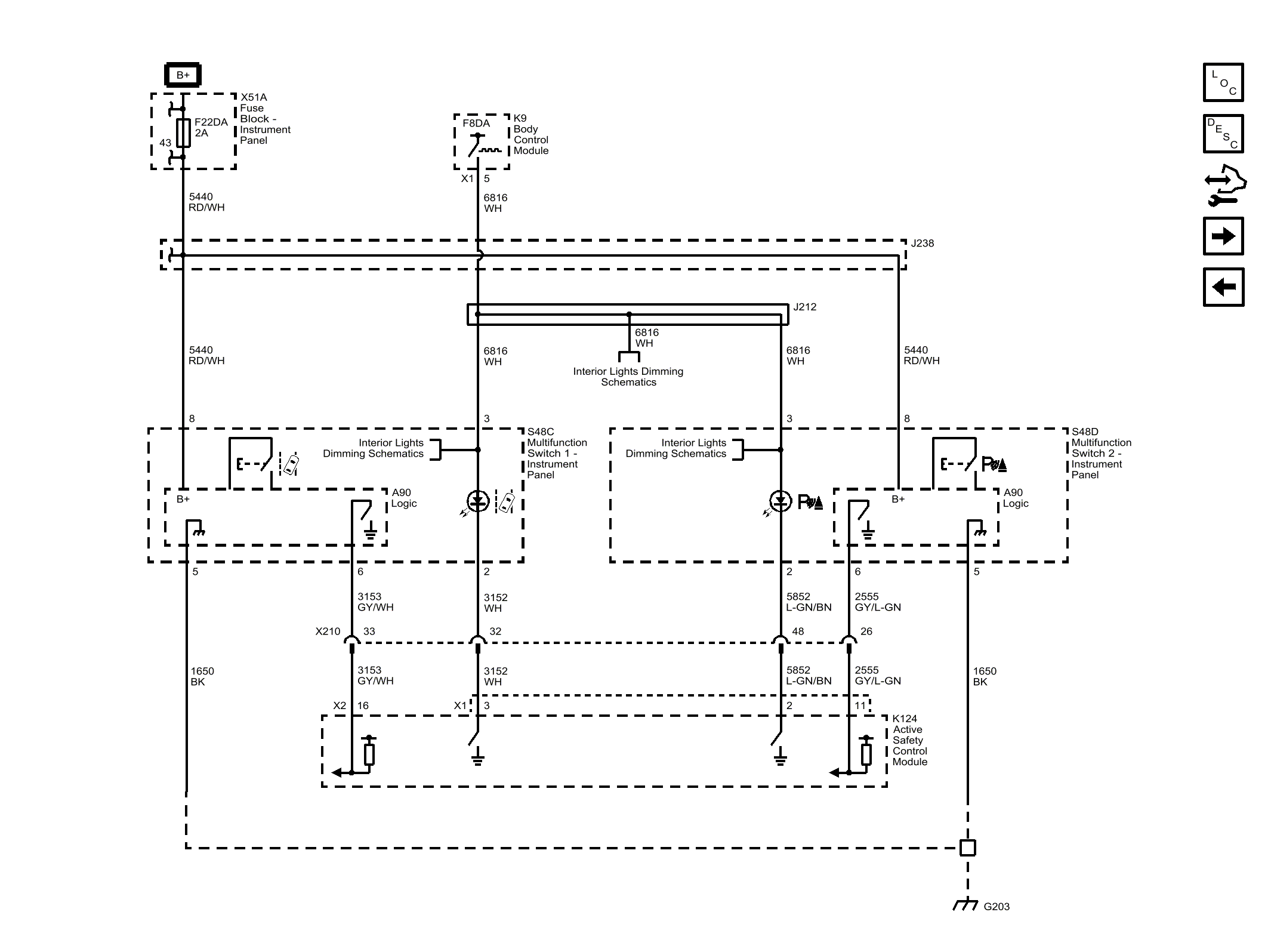
Multifunction Switches (UGN/UVZ)

Fig 1: Multifunction Switches (UGN/UVZ)
GM3792950Courtesy of GENERAL MOTORS COMPANY