LEMON Manuals: Even more car manuals for everyone: 1960-2025
Home >> Cadillac >> 2016 >> ATS Base, 2D Coupe, AWD >> Repair and Diagnosis >> Accessories & Equipment >> Drivers Assistance Systems - ADAS >> Object Detection System And Pedestrian Protection System >> Schematic Wiringing Diagrams >> Object Detection Wiring Schematics >> Park Assist - Power, Ground, Serial Data and Control (UD7 or UD5)
April 5, 2026: LEMON Manuals is launched! Read the announcement.

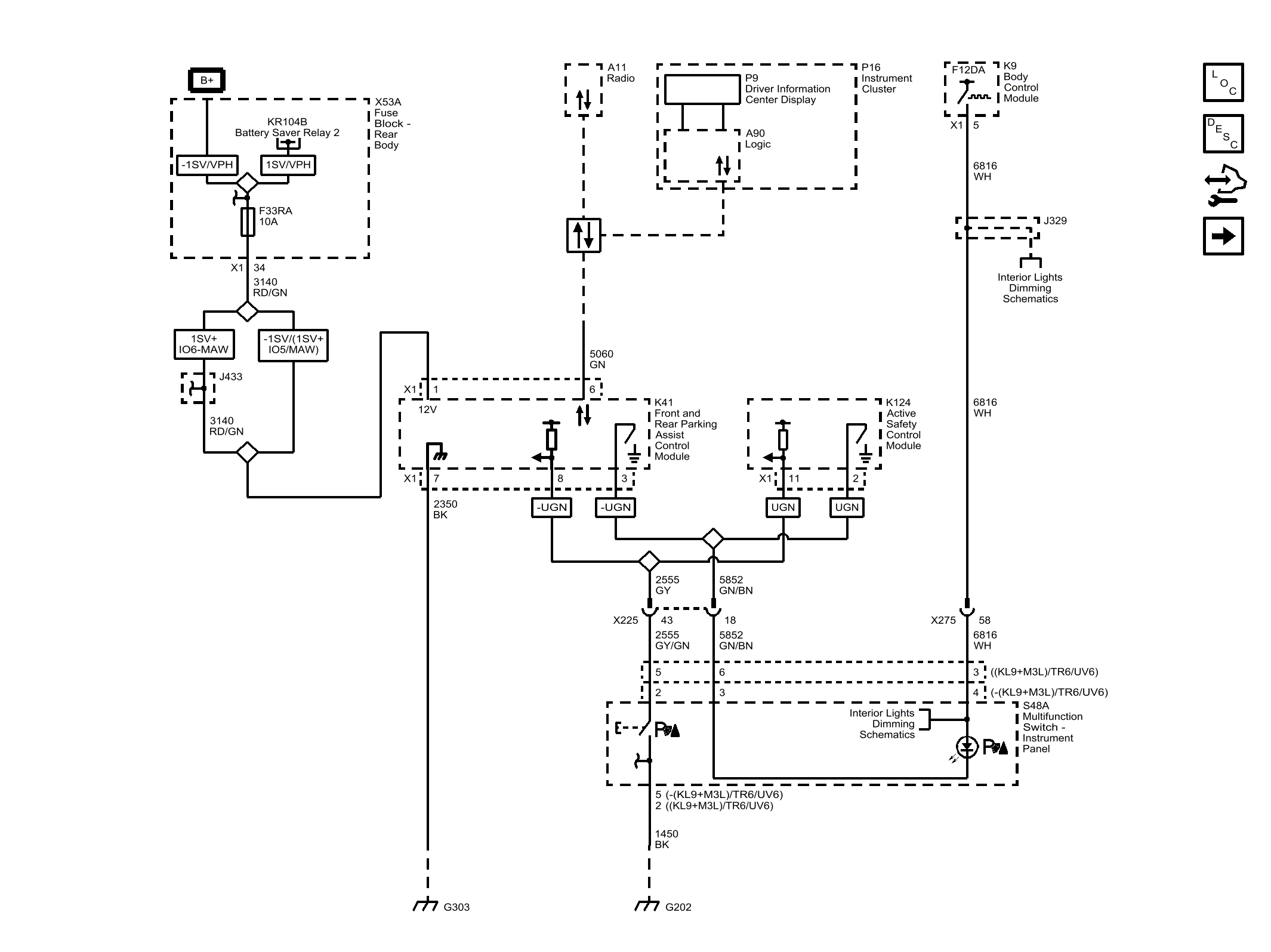
Park Assist - Power, Ground, Serial Data and Control (UD7 or UD5)

Fig 1: Park Assist - Power, Ground, Serial Data and Control (UD7 or UD5)
GM4054950Courtesy of GENERAL MOTORS COMPANY