LEMON Manuals: Even more car manuals for everyone: 1960-2025
Home >> Cadillac >> 2016 >> CTS Base, AWD >> Repair and Diagnosis (Single Page) >> Electrical >> Body Electrical >> Wiring Systems And Power Management - Description And Operation >> Description and Operation >> Power Mode Description and Operation >> Power Moding System Block Diagram
April 5, 2026: LEMON Manuals is launched! Read the announcement.

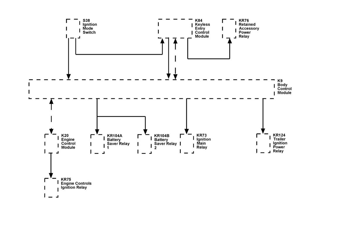
Power Moding System Block Diagram

Fig 1: Power Moding System Block Diagram
GM3520480Courtesy of GENERAL MOTORS COMPANY