LEMON Manuals: Even more car manuals for everyone: 1960-2025
Home >> Cadillac >> 2016 >> CTS Base, AWD >> Repair and Diagnosis >> Accessories & Equipment >> Drivers Assistance Systems - ADAS >> Object Detection System And Pedestrian Protection System - Schematic Wiring Diagrams >> Schematic Wiring Diagrams >> Object Detection Wiring Schematics >> Collision Avoidance - Modules Power, Ground and Controls (UGN)
April 5, 2026: LEMON Manuals is launched! Read the announcement.

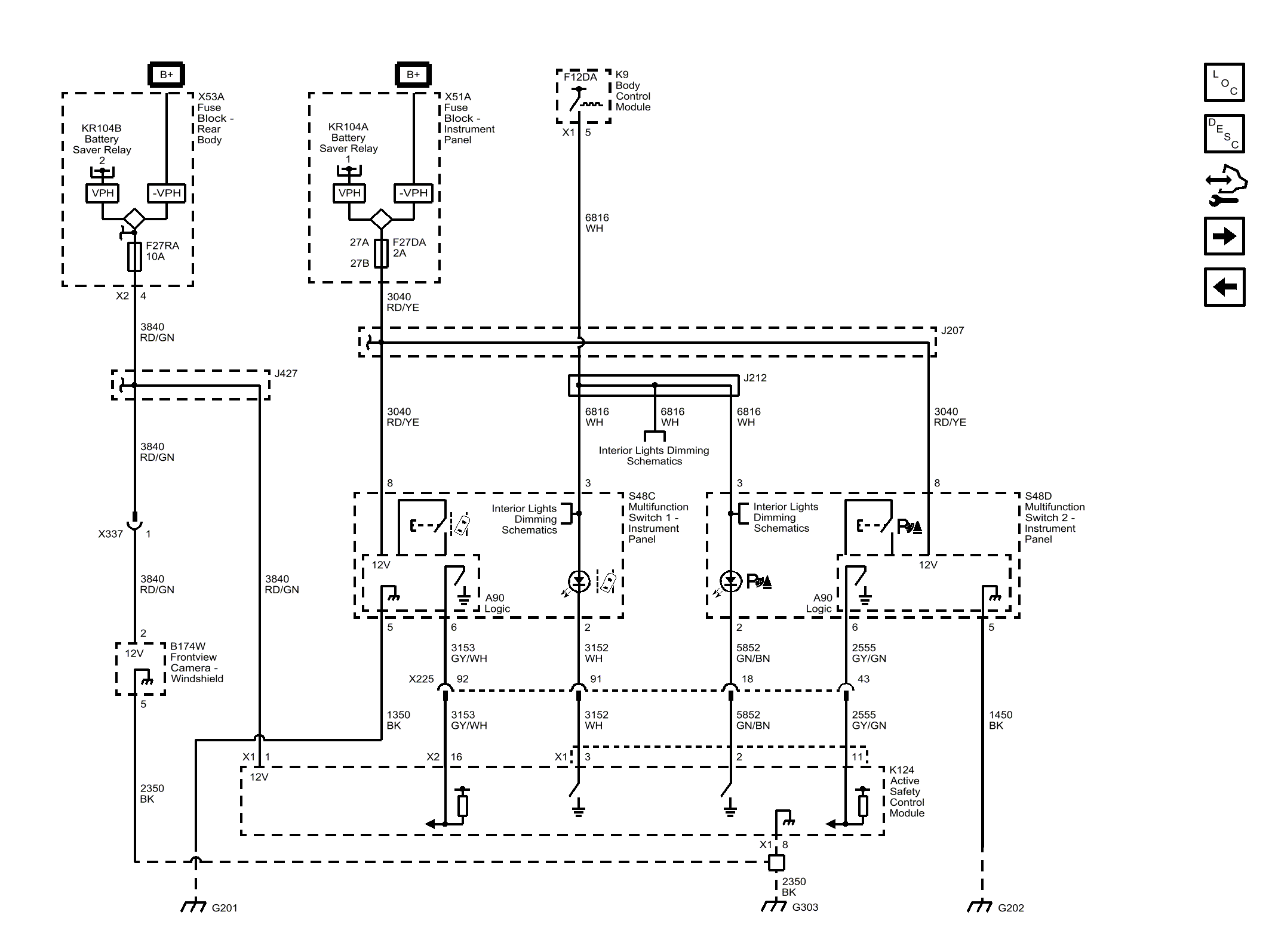
Collision Avoidance - Modules Power, Ground and Controls (UGN)

Fig 1: Collision Avoidance - Modules Power, Ground and Controls (UGN)
GM4078888Courtesy of GENERAL MOTORS COMPANY