LEMON Manuals: Even more car manuals for everyone: 1960-2025
Home >> Cadillac >> 2016 >> CTS Base, AWD >> Repair and Diagnosis >> Engine Performance >> System >> Data Communication System >> Schematic Wiring Diagrams >> Data Communication Wiring Schematics >> Linear Interconnect Network (LIN) Bus (2 of 3)
April 5, 2026: LEMON Manuals is launched! Read the announcement.

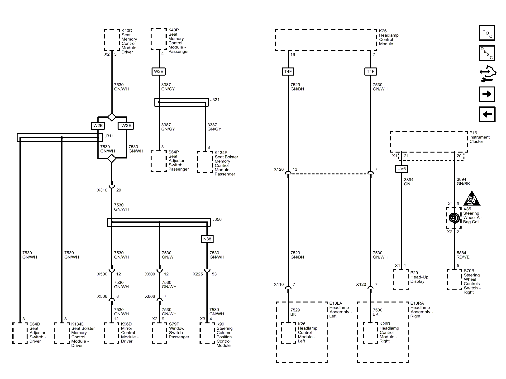
Linear Interconnect Network (LIN) Bus (2 of 3)

Fig 1: Linear Interconnect Network (LIN) Bus (2 of 3)
GM4078796Courtesy of GENERAL MOTORS COMPANY