LEMON Manuals: Even more car manuals for everyone: 1960-2025
Home >> Cadillac >> 2016 >> CTS Base, AWD >> Repair and Diagnosis >> Engine Performance >> System >> Data Communication System >> Schematic Wiring Diagrams >> Data Communication Wiring Schematics >> Object High Speed GMLAN (UGN without UVZ)
April 5, 2026: LEMON Manuals is launched! Read the announcement.

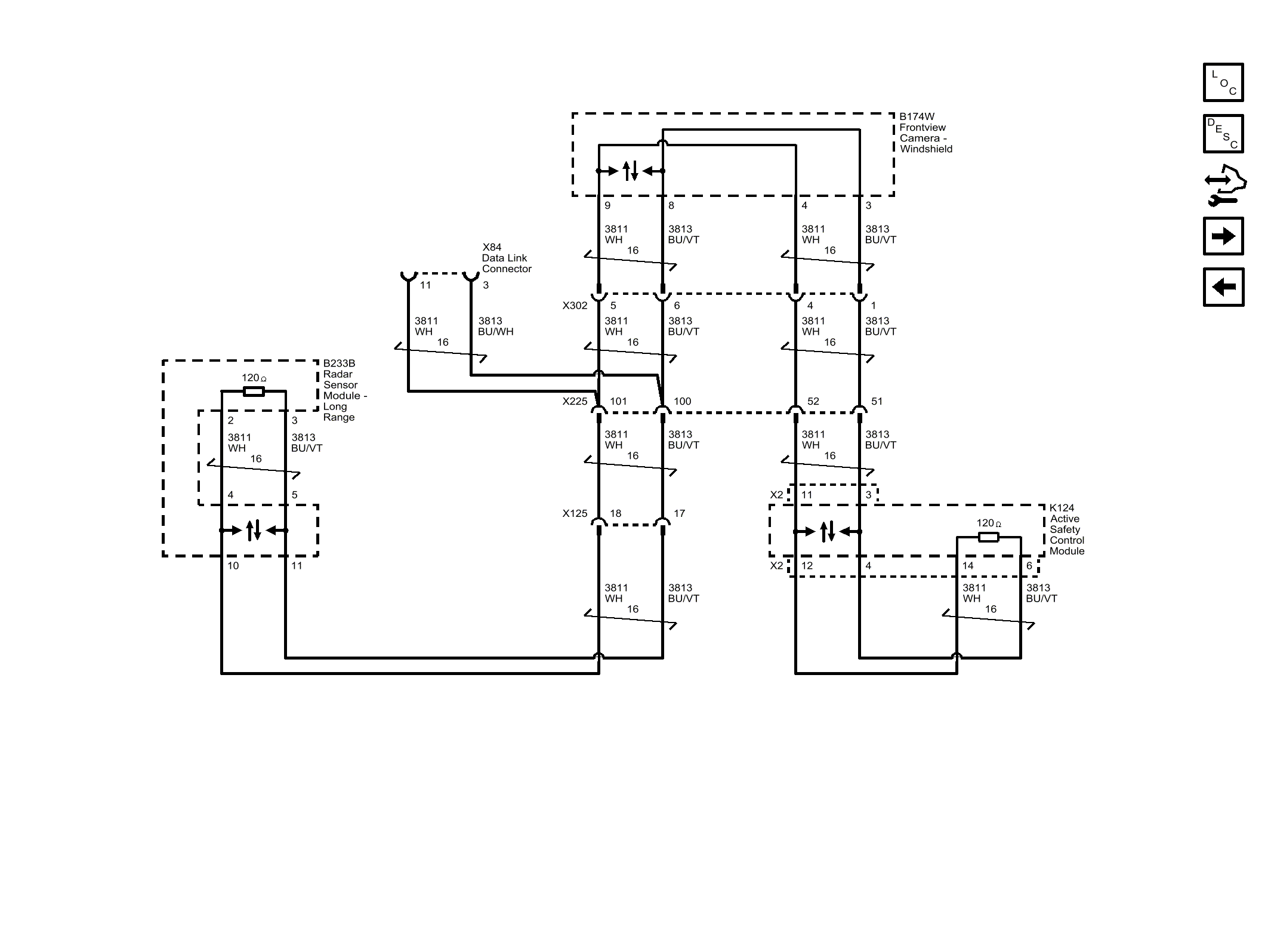
Object High Speed GMLAN (UGN without UVZ)

Fig 1: Object High Speed GMLAN (UGN without UVZ)
GM4078791Courtesy of GENERAL MOTORS COMPANY