LEMON Manuals: Even more car manuals for everyone: 1960-2025
Home >> Cadillac >> 2016 >> CTS Base, AWD >> Repair and Diagnosis >> External Pages >> Different car >> Section 75 (Object Detection And Pedestrian Protection System (Coupe)) >> Schematic Wiring Diagrams >> Object Detection Wiring Schematics >> Rearview Camera (UVC)
April 5, 2026: LEMON Manuals is launched! Read the announcement.

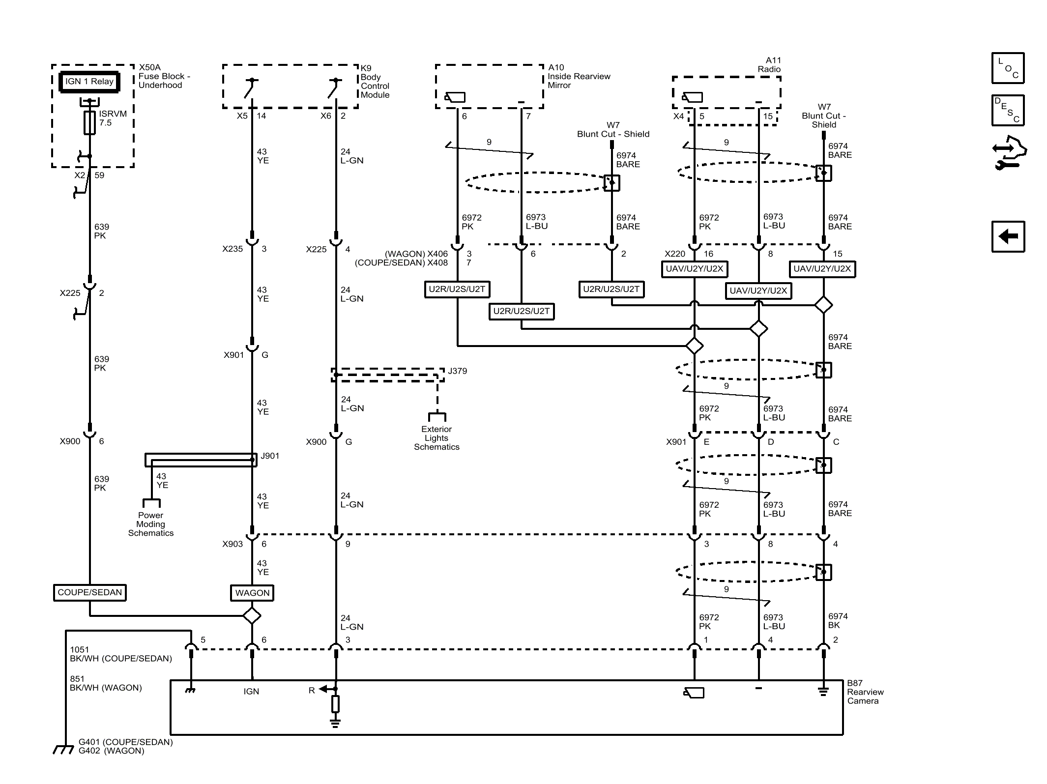
Rearview Camera (UVC)

WARNING: This page is about a different car, the 2015 Cadillac CTS. However, it is still accessible from the selected car via links, so may be relevant.
Fig 1: Rearview Camera (UVC)
GM3766839Courtesy of GENERAL MOTORS COMPANY