LEMON Manuals: Even more car manuals for everyone: 1960-2025
Home >> Cadillac >> 2016 >> ELR >> Repair and Diagnosis >> Accessories & Equipment >> Drivers Assistance Systems - ADAS >> Object Detection System And Pedestrian Protection System >> Schematic Wiring Diagrams >> Object Detection Wiring Schematics >> Forward Collision (UEU) and Lane Departure (UFL)
April 5, 2026: LEMON Manuals is launched! Read the announcement.

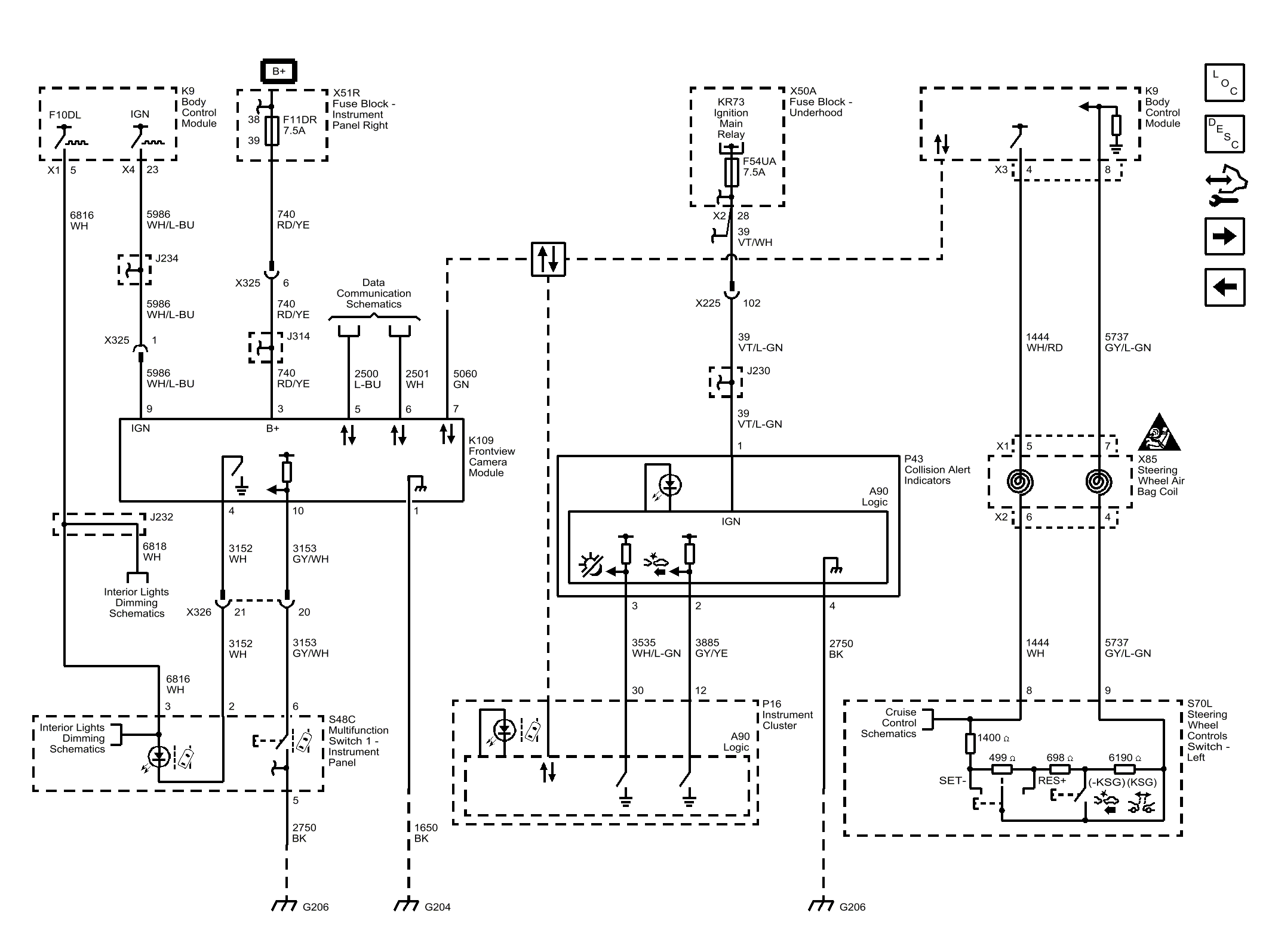
Forward Collision (UEU) and Lane Departure (UFL)

Fig 1: Forward Collision (UEU) and Lane Departure (UFL)
GM4041585Courtesy of GENERAL MOTORS COMPANY