LEMON Manuals: Even more car manuals for everyone: 1960-2025
Home >> Cadillac >> 2016 >> ELR >> Repair and Diagnosis >> Accessories & Equipment >> Entertainment Systems >> Cellular System, Entertainment System, And Navigation System >> Schematic Wiring Diagrams >> Radio/Navigation System Wiring Schematics >> Media Disc Player Power, Ground and Serial Data (TG5)
April 5, 2026: LEMON Manuals is launched! Read the announcement.

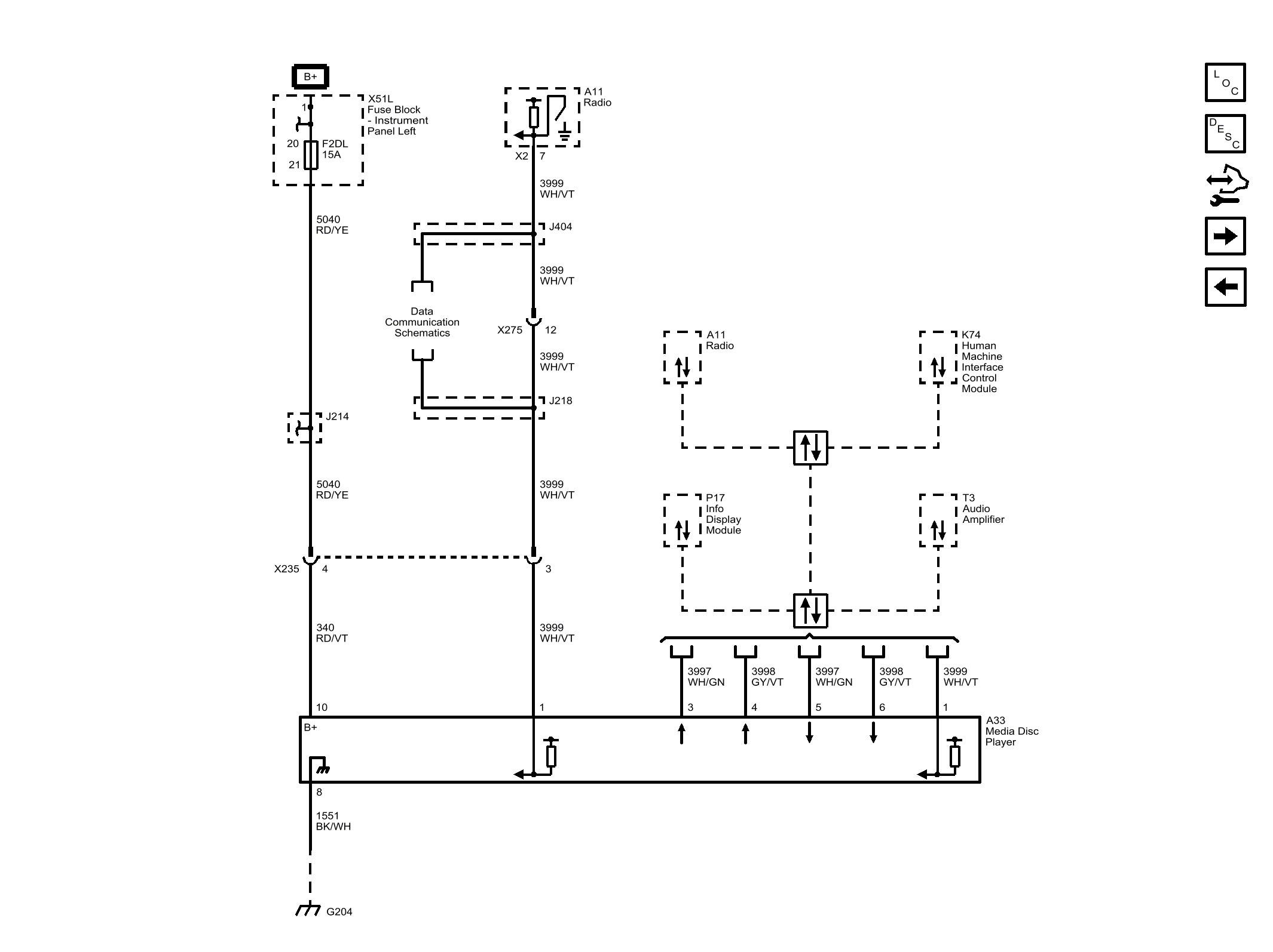
Media Disc Player Power, Ground and Serial Data (TG5)

Fig 1: Media Disc Player Power, Ground and Serial Data (TG5)
GM4040854Courtesy of GENERAL MOTORS COMPANY