LEMON Manuals: Even more car manuals for everyone: 1960-2025
Home >> Cadillac >> 2016 >> ELR >> Repair and Diagnosis >> Transmission >> Automatic Trans >> Shift Lock Control System >> Schematic Wiring Diagrams >> Shift Lock Control Wiring Schematics >> Shift Lock
April 5, 2026: LEMON Manuals is launched! Read the announcement.

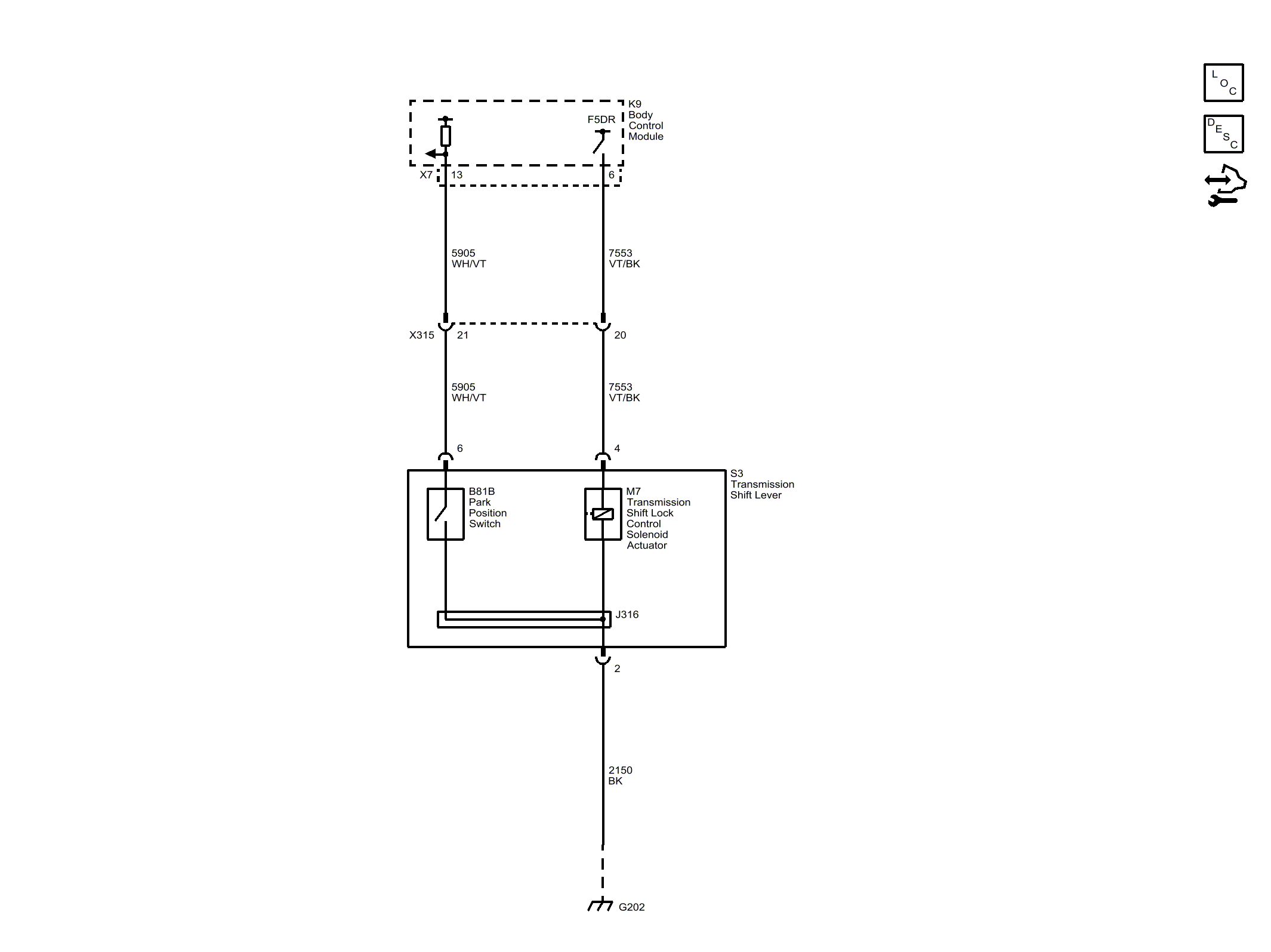
Shift Lock

Fig 1: Shift Lock
GM4041630Courtesy of GENERAL MOTORS COMPANY