LEMON Manuals: Even more car manuals for everyone: 1960-2025
Home >> Cadillac >> 2016 >> Escalade Base, 4WD, Trans Mfr CD 8L90/M5U >> Repair and Diagnosis >> Accessories & Equipment >> Drivers Assistance Systems - ADAS >> Object Detection System And Pedestrian Protection System >> Schematic Wiring Diagrams >> Object Detection Wiring Schematics >> Seat Haptic Motors (Z75 with UGN)
April 5, 2026: LEMON Manuals is launched! Read the announcement.

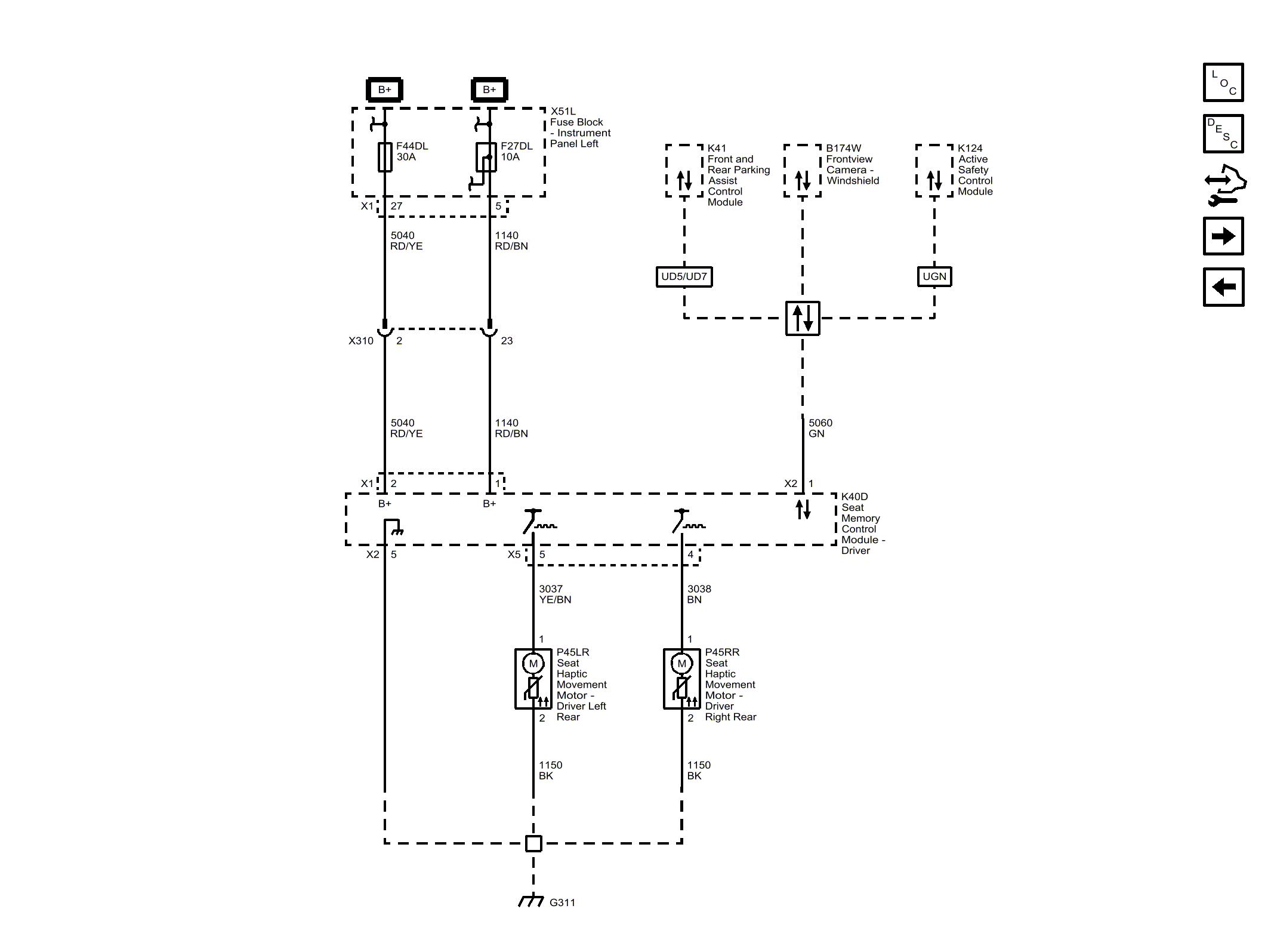
Seat Haptic Motors (Z75 with UGN)

Fig 1: Seat Haptic Motors (Z75 with UGN)
GM4074138Courtesy of GENERAL MOTORS COMPANY