LEMON Manuals: Even more car manuals for everyone: 1960-2025
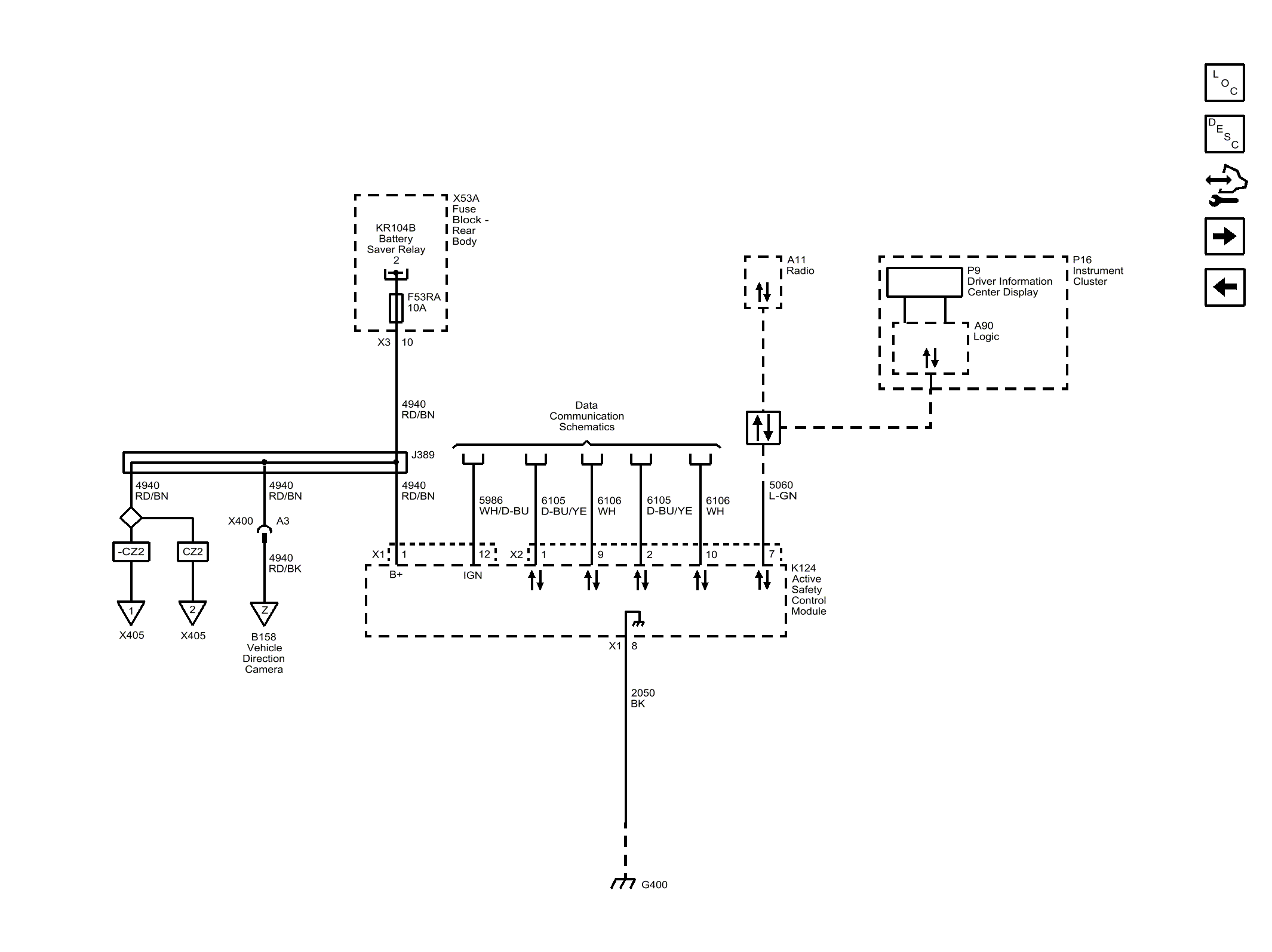
Home >> Cadillac >> 2016 >> SRX Base >> Repair and Diagnosis (Single Page) >> Accessories & Equipment >> Drivers Assistance Systems - ADAS >> Object Detection System >> Schematic Wiring Diagrams >> Object Detection Wiring Schematics >> Power, Ground and Serial Data (UGN/UVZ)
April 5, 2026: LEMON Manuals is launched! Read the announcement.

Power, Ground and Serial Data (UGN/UVZ)

Fig 1: Power, Ground and Serial Data (UGN/UVZ)
GM4083547Courtesy of GENERAL MOTORS COMPANY