LEMON Manuals: Even more car manuals for everyone: 1960-2025
Home >> Cadillac >> 2016 >> SRX Base >> Repair and Diagnosis (Single Page) >> Accessories & Equipment >> Entertainment Systems >> Cellular System, Entertainment System, And Navigation System - Schematic Wiring Diagrams >> Schematic Wiring Diagrams >> Radio/Navigation System Wiring Schematics >> Radio, Amplifier, and Info Display Module Power, Ground and Data Communication
April 5, 2026: LEMON Manuals is launched! Read the announcement.

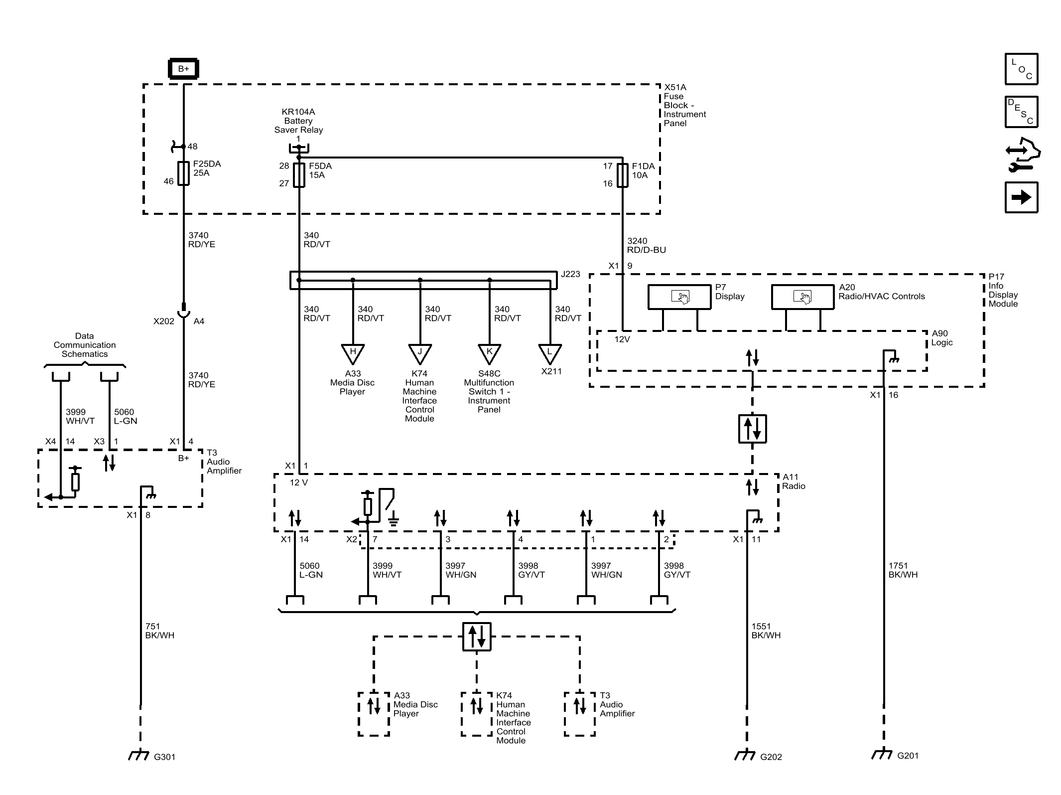
Radio, Amplifier, and Info Display Module Power, Ground and Data Communication

Fig 1: Radio, Amplifier, and Info Display Module Power, Ground and Data Communication
GM4082853Courtesy of GENERAL MOTORS COMPANY