LEMON Manuals: Even more car manuals for everyone: 1960-2025
Home >> Cadillac >> 2016 >> SRX Base >> Repair and Diagnosis >> Engine Performance >> System >> Data Communication System >> Schematic Wiring Diagrams >> Data Communication Wiring Schematics >> Data Link Connector Power, Ground, and Low Speed GMLAN
April 5, 2026: LEMON Manuals is launched! Read the announcement.

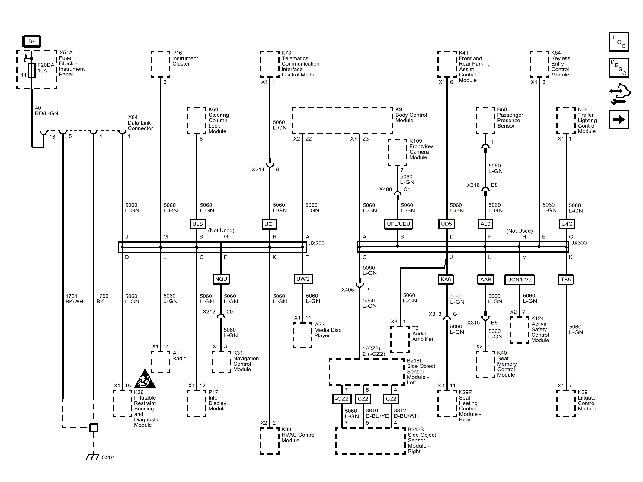
Data Link Connector Power, Ground, and Low Speed GMLAN

Fig 1: Data Link Connector Power, Ground, and Low Speed GMLAN
GM4083219Courtesy of GENERAL MOTORS COMPANY