LEMON Manuals: Even more car manuals for everyone: 1960-2025
Home >> Cadillac >> 2016 >> XTS Base >> Repair and Diagnosis (Single Page) >> Accessories & Equipment >> Entertainment Systems >> Cellular System, Entertainment System, And Navigation System >> Schematic Wiring Diagrams >> Radio/Navigation System Wiring Schematics >> Information Display
April 5, 2026: LEMON Manuals is launched! Read the announcement.

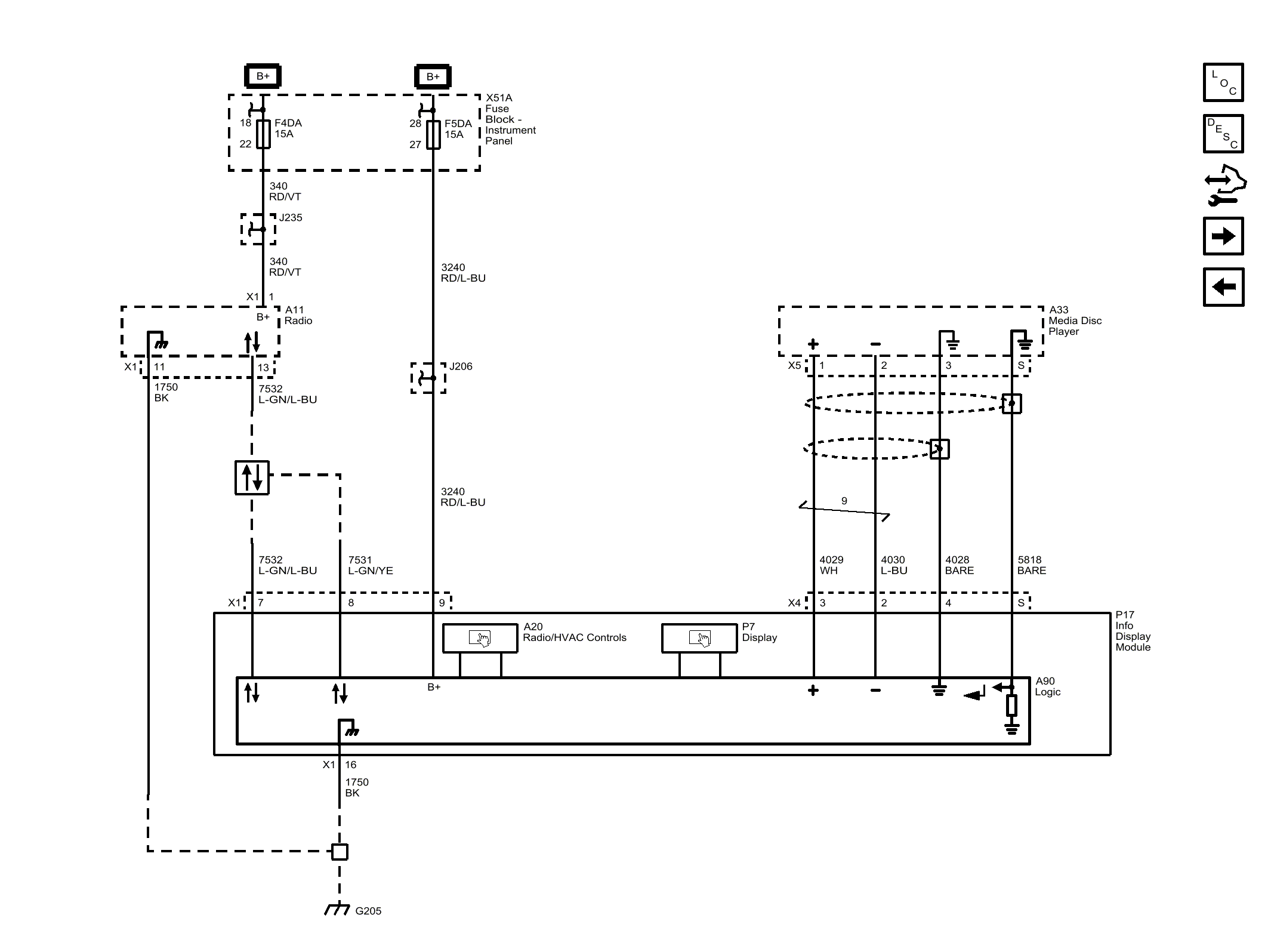
Information Display

Fig 1: Information Display
GM4143227Courtesy of GENERAL MOTORS COMPANY