LEMON Manuals: Even more car manuals for everyone: 1960-2025
Home >> Cadillac >> 2016 >> XTS Base >> Repair and Diagnosis >> Engine Performance >> System >> Data Communication System >> Schematic Wiring Diagrams >> Data Communication Wiring Schematics >> Chassis Expansion Bus
April 5, 2026: LEMON Manuals is launched! Read the announcement.

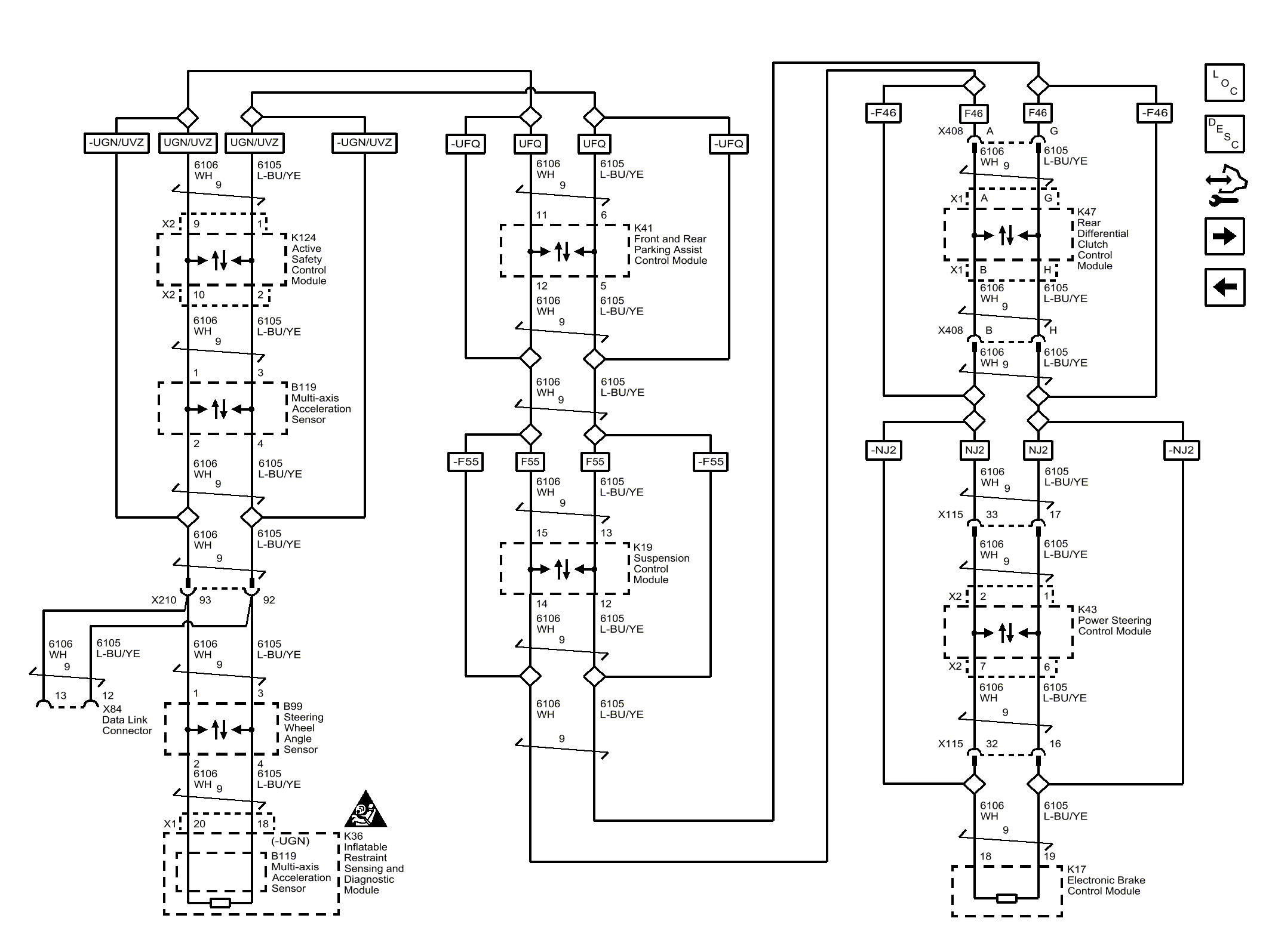
Chassis Expansion Bus

Fig 1: Chassis Expansion Bus
GM4143320Courtesy of GENERAL MOTORS COMPANY