LEMON Manuals: Even more car manuals for everyone: 1960-2025
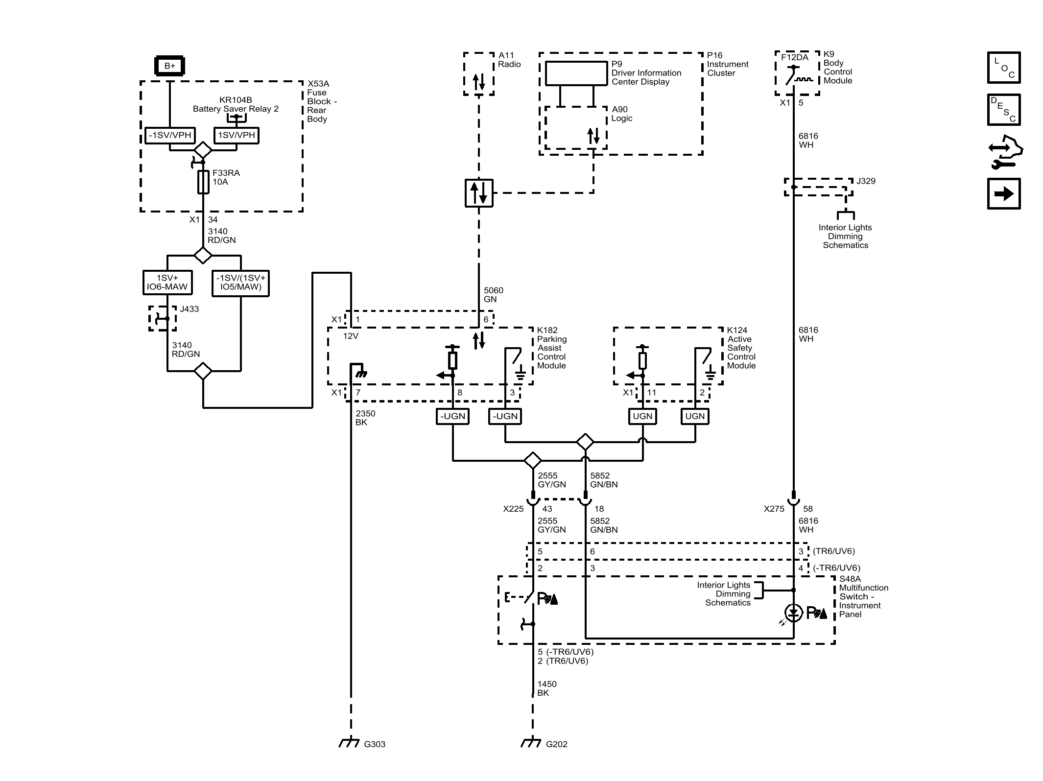
Home >> Cadillac >> 2017 >> ATS Base, 4D Sedan, AWD >> Repair and Diagnosis >> Accessories & Equipment >> Drivers Assistance Systems - ADAS >> Object Detection System >> Schematic Wiring Diagrams >> Object Detection Wiring Schematics >> Park Assist - Power, Ground, Serial Data and Control (UD7/UD5)
April 5, 2026: LEMON Manuals is launched! Read the announcement.

Park Assist - Power, Ground, Serial Data and Control (UD7/UD5)

Fig 1: Park Assist - Power, Ground, Serial Data and Control (UD7/UD5)
GM4492305Courtesy of GENERAL MOTORS COMPANY