LEMON Manuals: Even more car manuals for everyone: 1960-2025
Home >> Cadillac >> 2017 >> ATS Base, 4D Sedan, AWD >> Repair and Diagnosis >> Accessories & Equipment >> Drivers Assistance Systems - ADAS >> Object Detection System >> Schematic Wiring Diagrams >> Object Detection Wiring Schematics >> Rearview Camera (UVC)
April 5, 2026: LEMON Manuals is launched! Read the announcement.

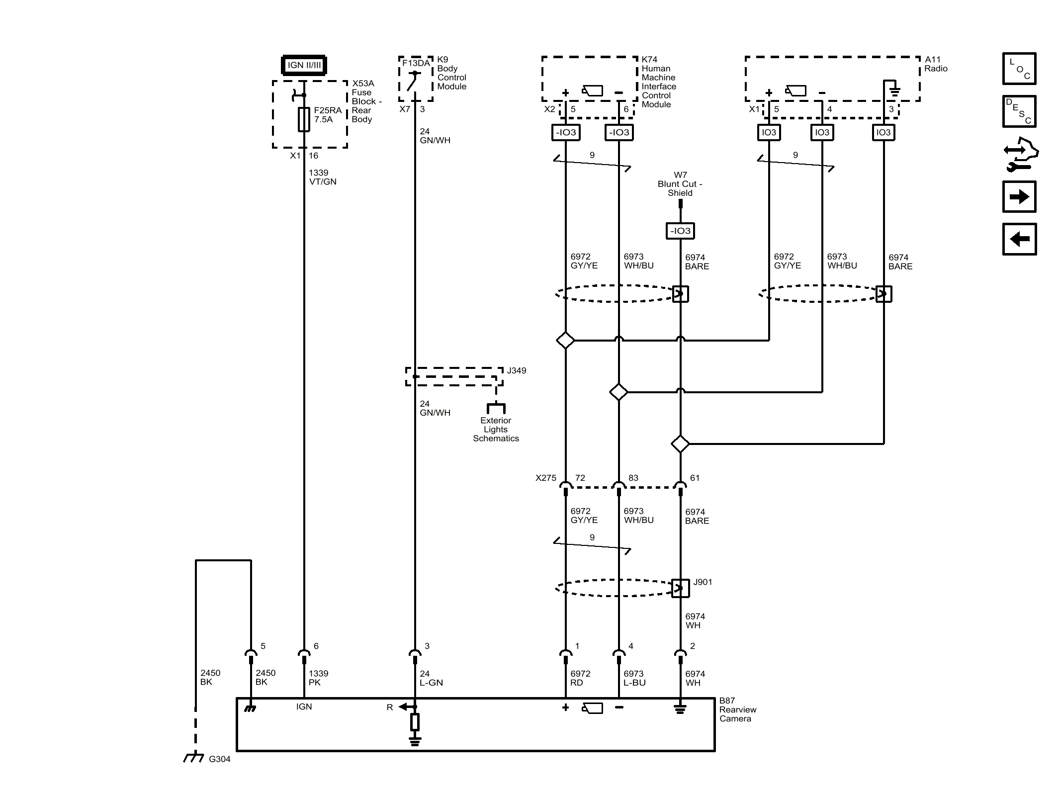
Rearview Camera (UVC)

Fig 1: Rearview Camera (UVC)
GM4492327Courtesy of GENERAL MOTORS COMPANY