LEMON Manuals: Even more car manuals for everyone: 1960-2025
Home >> Cadillac >> 2017 >> ATS Base, 4D Sedan, AWD >> Repair and Diagnosis >> External Pages >> Different car >> Section 1 (Object Detection System And Pedestrian Protection System) >> Schematic Wiringing Diagrams >> Object Detection Wiring Schematics >> Lane Keep Assist (UHX without UGN) and Forward Collision Alert (UEU)
April 5, 2026: LEMON Manuals is launched! Read the announcement.

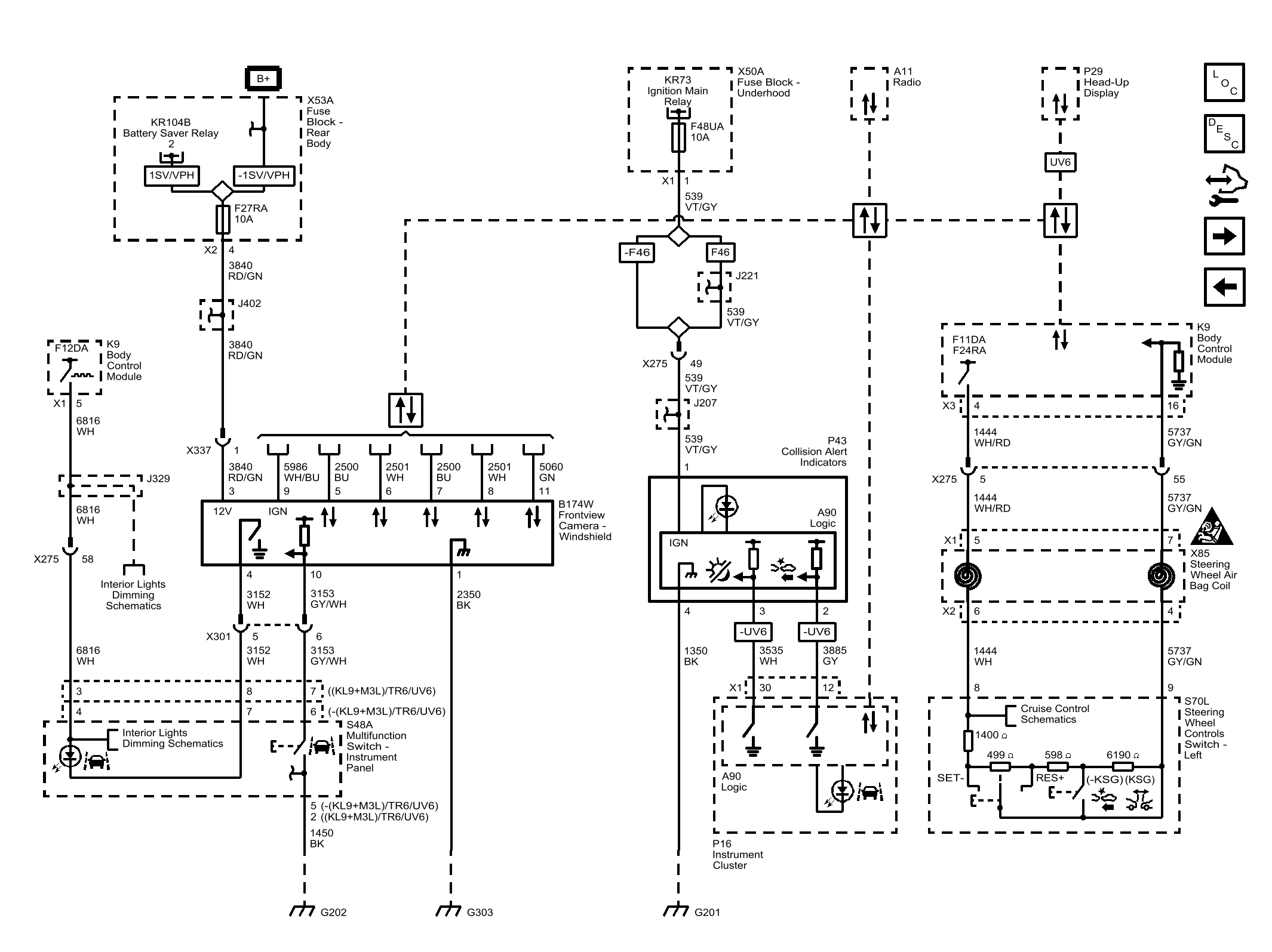
Lane Keep Assist (UHX without UGN) and Forward Collision Alert (UEU)

WARNING: This page is about a different car, the 2016 Cadillac ATS. However, it is still accessible from the selected car via links, so may be relevant.
Fig 1: Lane Keep Assist (UHX without UGN) and Forward Collision Alert (UEU)
GM4054959Courtesy of GENERAL MOTORS COMPANY