LEMON Manuals: Even more car manuals for everyone: 1960-2025
Home >> Cadillac >> 2017 >> ATS Base, 4D Sedan, AWD >> Repair and Diagnosis >> External Pages >> Different car >> Section 240 (Object Detection System And Pedestrian Protection System - Schematic Wiring Diagrams) >> Schematic Wiring Diagrams >> Object Detection Wiring Schematics >> Collision Avoidance - Left Front and Right Front Short Range Radars (UGN and UVZ)
April 5, 2026: LEMON Manuals is launched! Read the announcement.

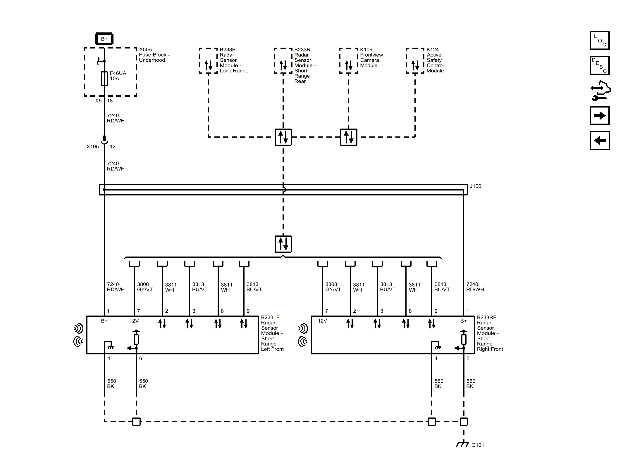
Collision Avoidance - Left Front and Right Front Short Range Radars (UGN and UVZ)

WARNING: This page is about a different car, the 2016 Cadillac CT6. However, it is still accessible from the selected car via links, so may be relevant.
Fig 1: Collision Avoidance - Left Front and Right Front Short Range Radars (UGN and UVZ)
GM4257282Courtesy of GENERAL MOTORS COMPANY