LEMON Manuals: Even more car manuals for everyone: 1960-2025
Home >> Cadillac >> 2017 >> ATS Base, 4D Sedan, AWD >> Repair and Diagnosis >> External Pages >> Different car >> Section 240 (Object Detection System And Pedestrian Protection System - Schematic Wiring Diagrams) >> Schematic Wiring Diagrams >> Object Detection Wiring Schematics >> Rear Cross Traffic Alert (UFG) and Side Object Detection (UKC)
April 5, 2026: LEMON Manuals is launched! Read the announcement.

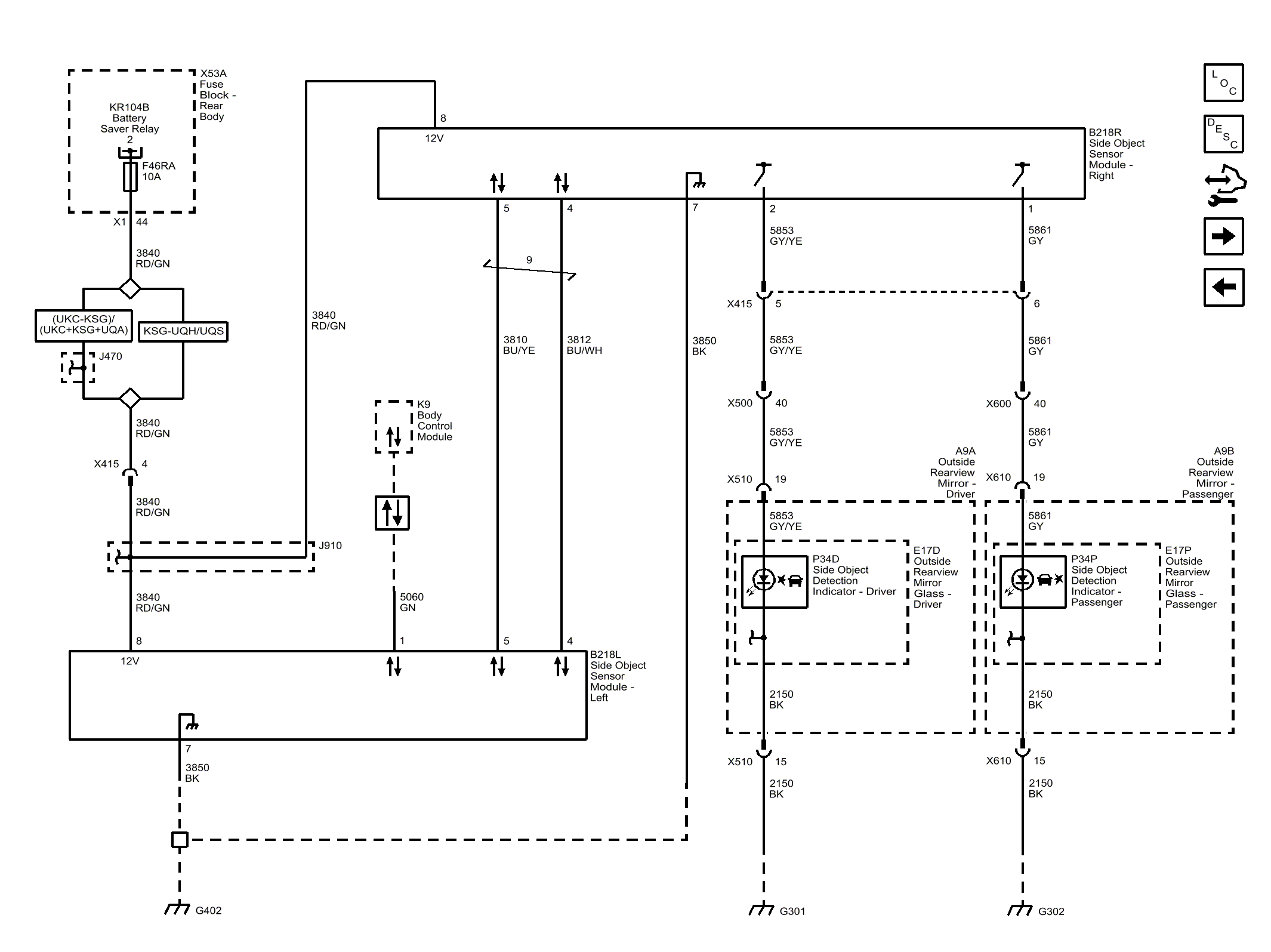
Rear Cross Traffic Alert (UFG) and Side Object Detection (UKC)

WARNING: This page is about a different car, the 2016 Cadillac CT6. However, it is still accessible from the selected car via links, so may be relevant.
Fig 1: Rear Cross Traffic Alert (UFG) and Side Object Detection (UKC)
GM4257279Courtesy of GENERAL MOTORS COMPANY