LEMON Manuals: Even more car manuals for everyone: 1960-2025
Home >> Cadillac >> 2017 >> ATS Base, 4D Sedan, AWD >> Repair and Diagnosis >> External Pages >> Different car >> Section 263 (Shift Lock Control System) >> Schematic Wiring Diagrams >> Shift Lock Control Wiring Schematics >> Shift Lock Control
April 5, 2026: LEMON Manuals is launched! Read the announcement.

Shift Lock Control

WARNING: This page is about a different car, the 2016 Cadillac CT6. However, it is still accessible from the selected car via links, so may be relevant.
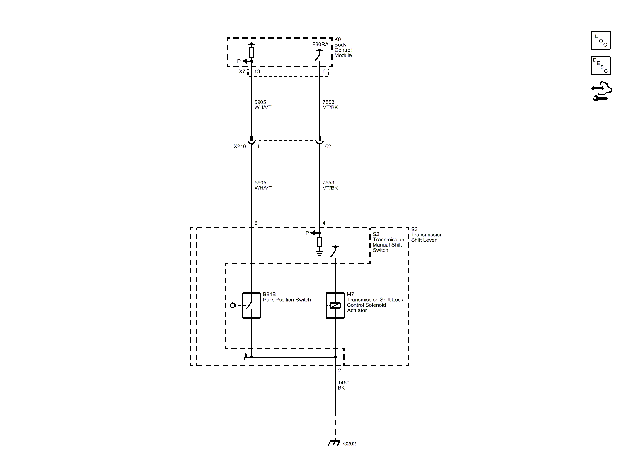
Fig 1: Shift Lock Control
GM4246776Courtesy of GENERAL MOTORS COMPANY