LEMON Manuals: Even more car manuals for everyone: 1960-2025
Home >> Cadillac >> 2017 >> CT6 Plug-In >> Repair and Diagnosis (Single Page) >> Accessories & Equipment >> Entertainment Systems >> Cellular System, Entertainment System, And Navigation System - Schematic Wiring Diagrams >> Schematic Wiring Diagrams >> Radio/Navigation System Wiring Schematics >> Navigation Control Module (CW1)
April 5, 2026: LEMON Manuals is launched! Read the announcement.

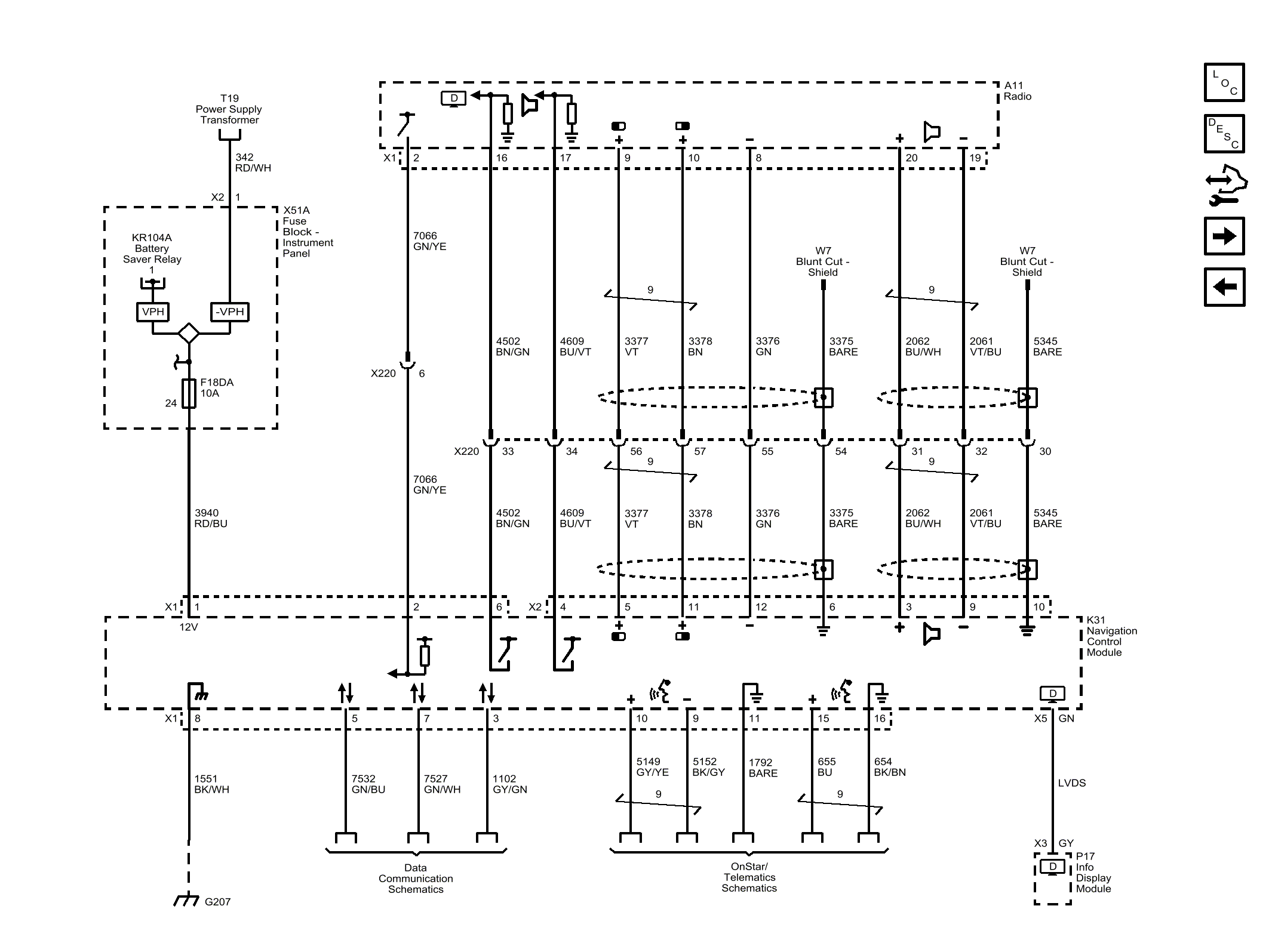
Navigation Control Module (CW1)

Fig 1: Navigation Control Module (CW1)
GM4489719Courtesy of GENERAL MOTORS COMPANY