LEMON Manuals: Even more car manuals for everyone: 1960-2025
Home >> Cadillac >> 2017 >> CT6 Plug-In >> Repair and Diagnosis (Single Page) >> Accessories & Equipment >> Infotainment >> Cellular System, Entertainment System, And Navigation System - Schematic Wiring Diagrams >> Schematic Wiring Diagrams >> Radio/Navigation System Wiring Schematics >> Info Display
April 5, 2026: LEMON Manuals is launched! Read the announcement.

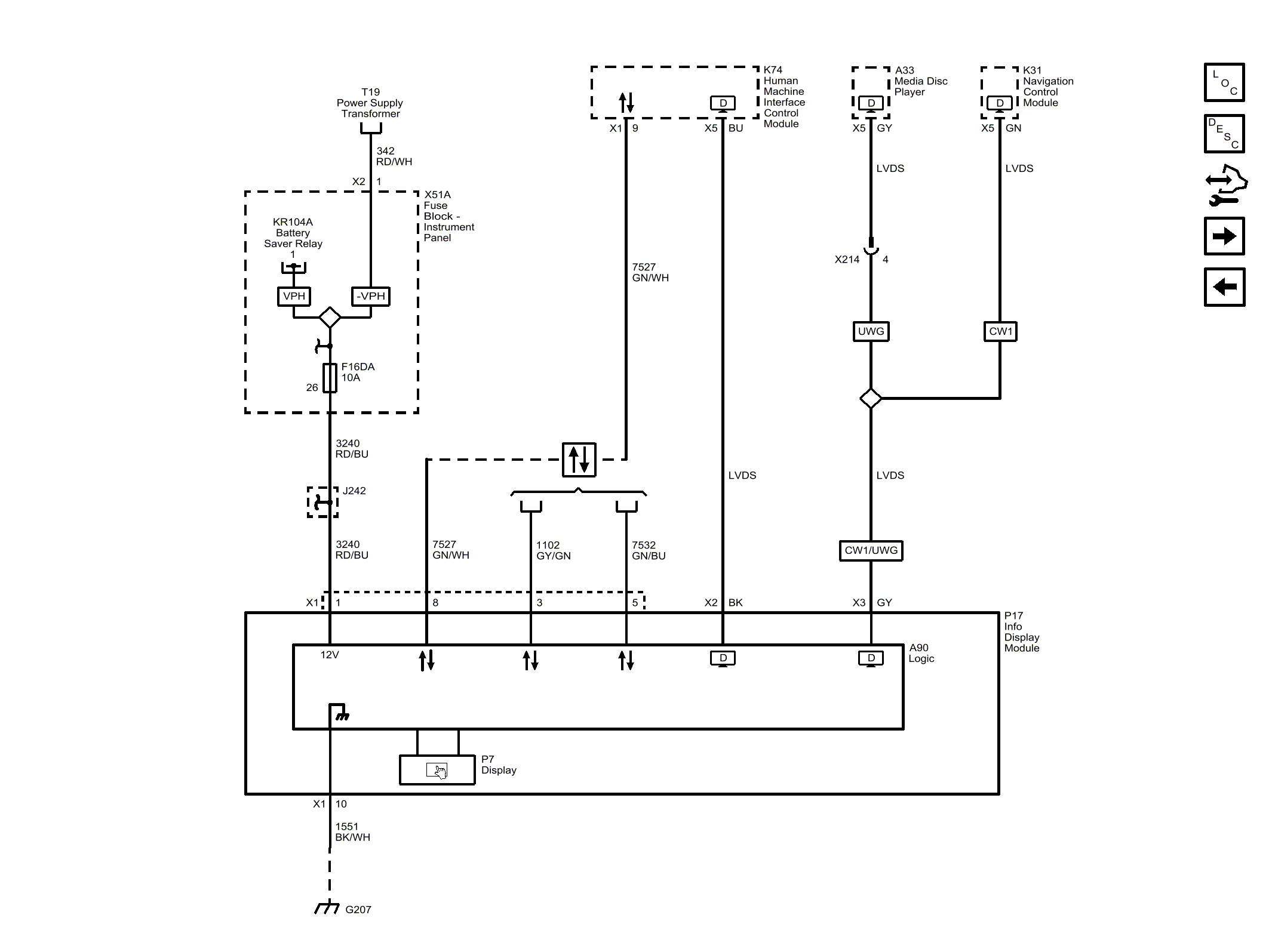
Info Display

Fig 1: Info Display
GM4489721Courtesy of GENERAL MOTORS COMPANY