LEMON Manuals: Even more car manuals for everyone: 1960-2025
Home >> Cadillac >> 2017 >> CT6 Plug-In >> Repair and Diagnosis >> Accessories & Equipment >> Collision/Avoidance >> Object Detection System And Pedestrian Protection System - Schematic Wiring Diagrams >> Schematic Wiring Diagrams >> Object Detection Wiring Schematics >> Park Assist - Indicator and Controls
April 5, 2026: LEMON Manuals is launched! Read the announcement.

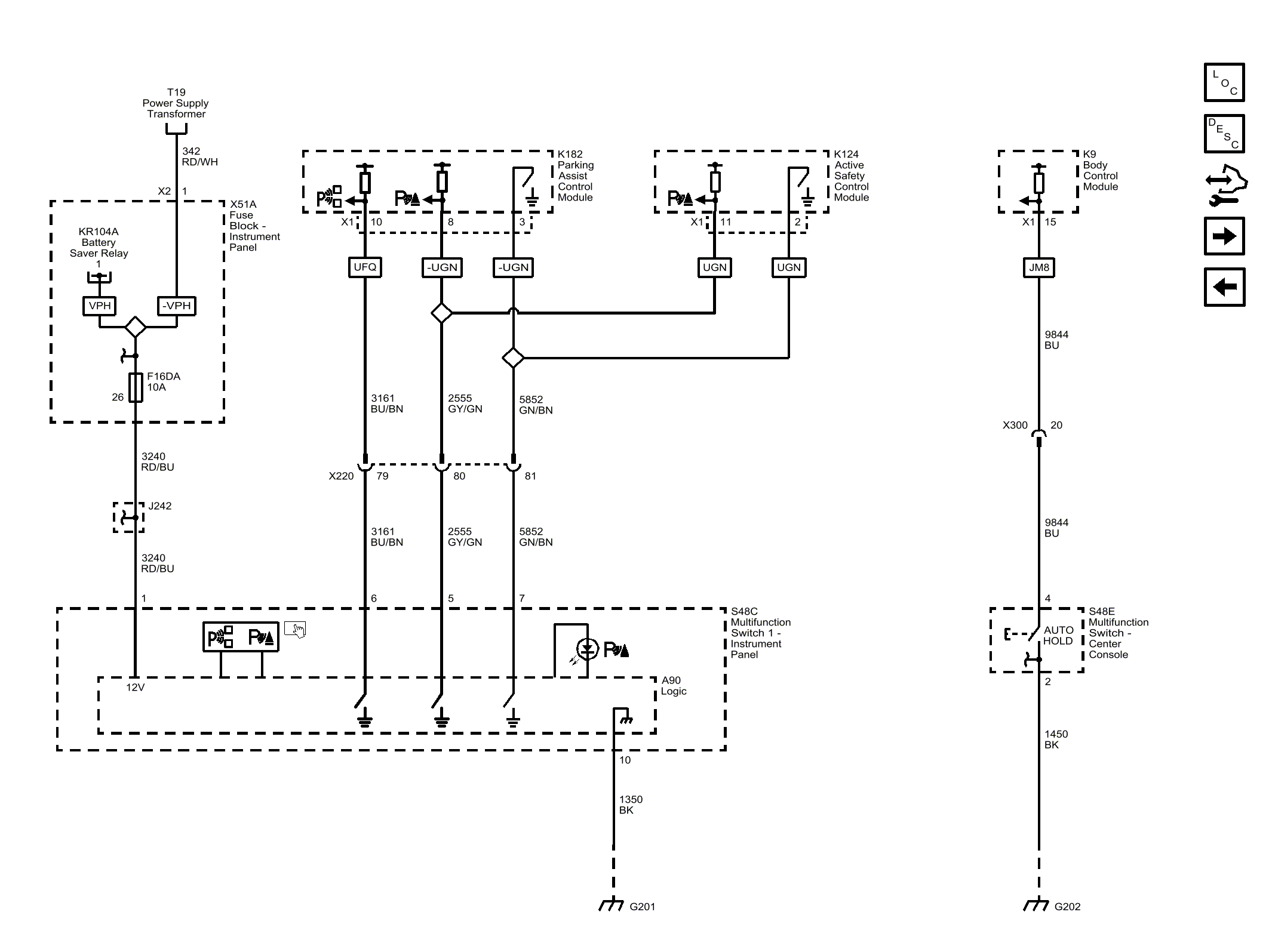
Park Assist - Indicator and Controls

Fig 1: Park Assist - Indicator and Controls
GM4489896Courtesy of GENERAL MOTORS COMPANY