LEMON Manuals: Even more car manuals for everyone: 1960-2025
Home >> Cadillac >> 2017 >> CT6 Plug-In >> Repair and Diagnosis >> Electrical >> Body Electrical >> Power MODING Schematics >> Schematic Wiring Diagrams >> Power Moding Wiring Schematics >> Ignition Mode Switch
April 5, 2026: LEMON Manuals is launched! Read the announcement.

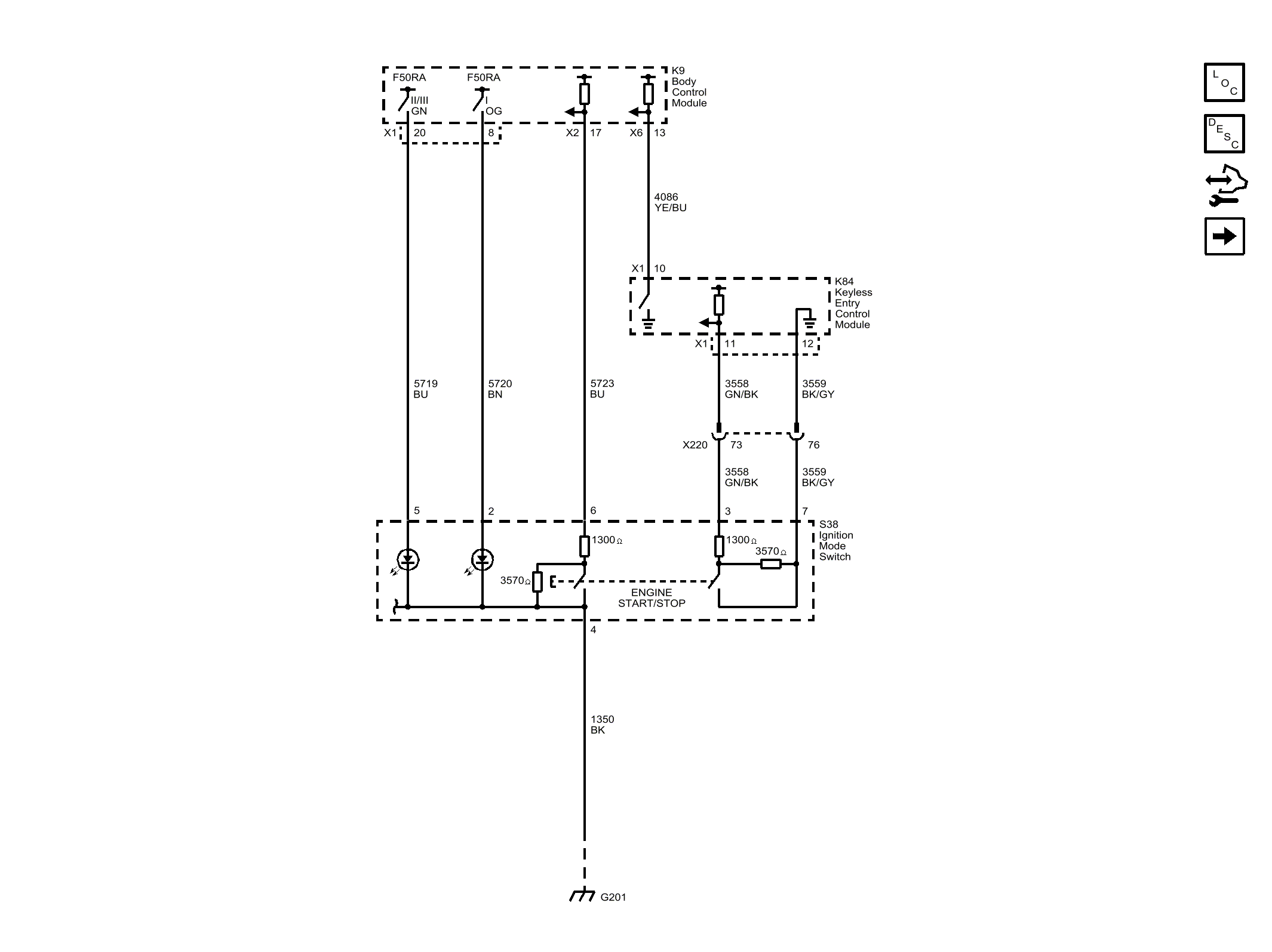
Ignition Mode Switch

Fig 1: Ignition Mode Switch
GM4490384Courtesy of GENERAL MOTORS COMPANY