LEMON Manuals: Even more car manuals for everyone: 1960-2025
Home >> Cadillac >> 2017 >> CTS Base, AWD >> Repair and Diagnosis (Single Page) >> Accessories & Equipment >> Infotainment >> Cellular System, Entertainment System, And Navigation System - Schematic And Routing Diagrams >> Schematic Wiring Diagrams >> Radio/Navigation System Wiring Schematics (IO5/IO6) >> Auxiliary Inputs (-IO6+MAW)
April 5, 2026: LEMON Manuals is launched! Read the announcement.

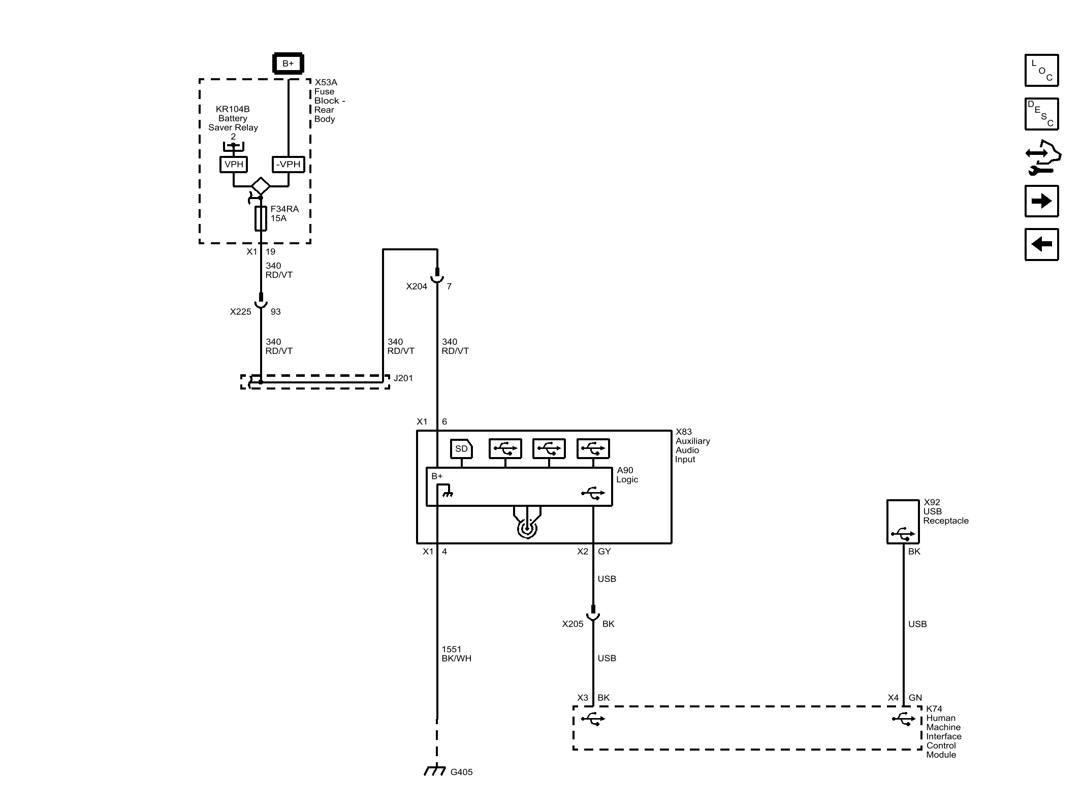
Auxiliary Inputs (-IO6+MAW)

Fig 1: Auxiliary Inputs (-IO6+MAW)
GM4492821Courtesy of GENERAL MOTORS COMPANY