LEMON Manuals: Even more car manuals for everyone: 1960-2025
Home >> Cadillac >> 2017 >> CTS Base, AWD >> Repair and Diagnosis >> External Pages >> Different car >> Section 185 (Cellular System, Entertainment System And Navigation System) >> Schematic Wiring Diagrams >> OnStar/Telematics Wiring Schematics >> Controls and Audio Signals (UE1)
April 5, 2026: LEMON Manuals is launched! Read the announcement.

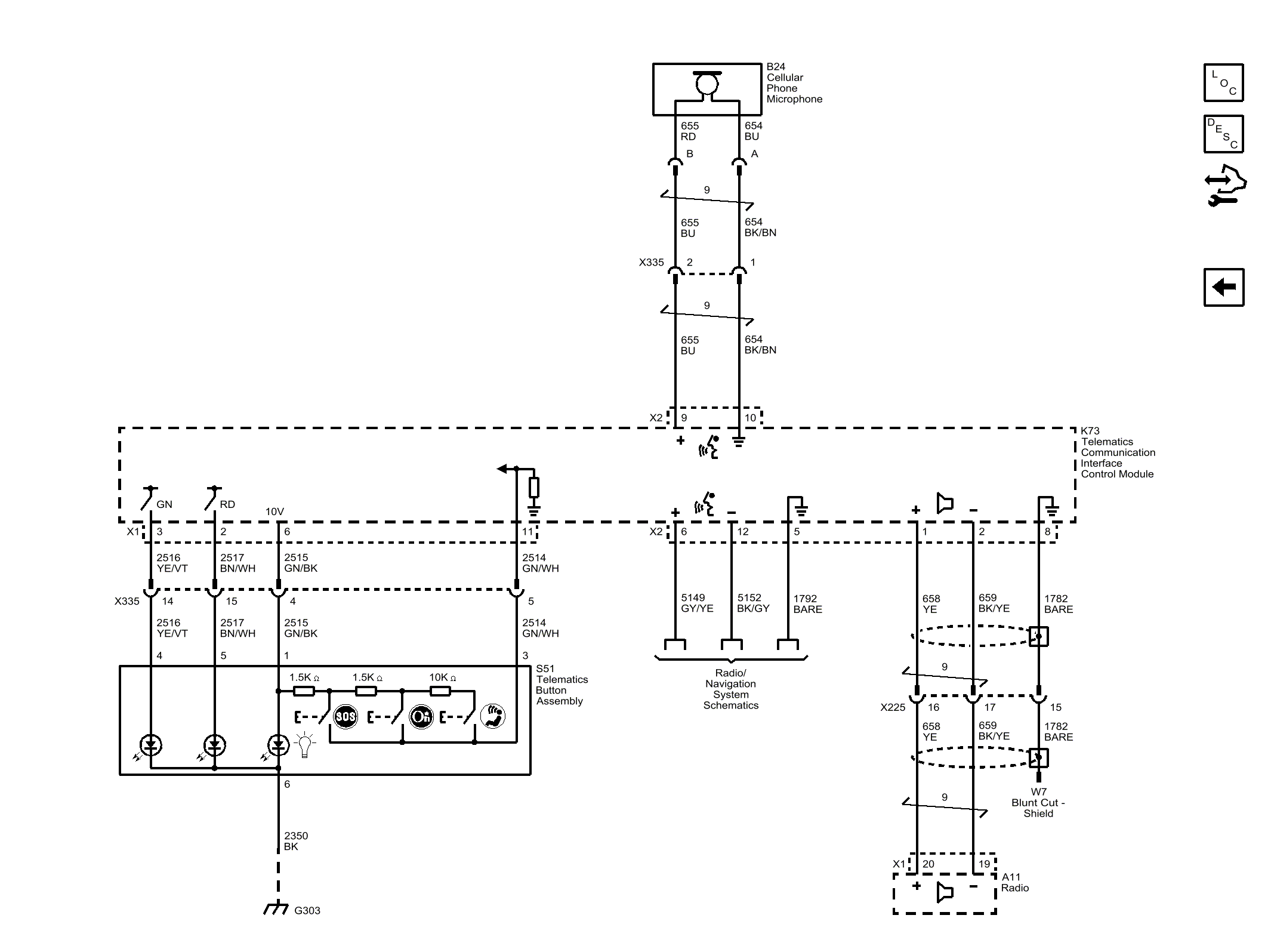
Controls and Audio Signals (UE1)

WARNING: This page is about a different car, the 2016 Cadillac CTS. However, it is still accessible from the selected car via links, so may be relevant.
Fig 1: Controls and Audio Signals (UE1)
GM4078474Courtesy of GENERAL MOTORS COMPANY