LEMON Manuals: Even more car manuals for everyone: 1960-2025
Home >> Cadillac >> 2017 >> CTS Base, AWD >> Repair and Diagnosis >> External Pages >> Different car >> Section 43 (Cellular System, Entertainment System, And Navigation System - Sedan) >> Schematic Wiring Diagrams >> Radio/Navigation System Wiring Schematics >> Antennas
April 5, 2026: LEMON Manuals is launched! Read the announcement.

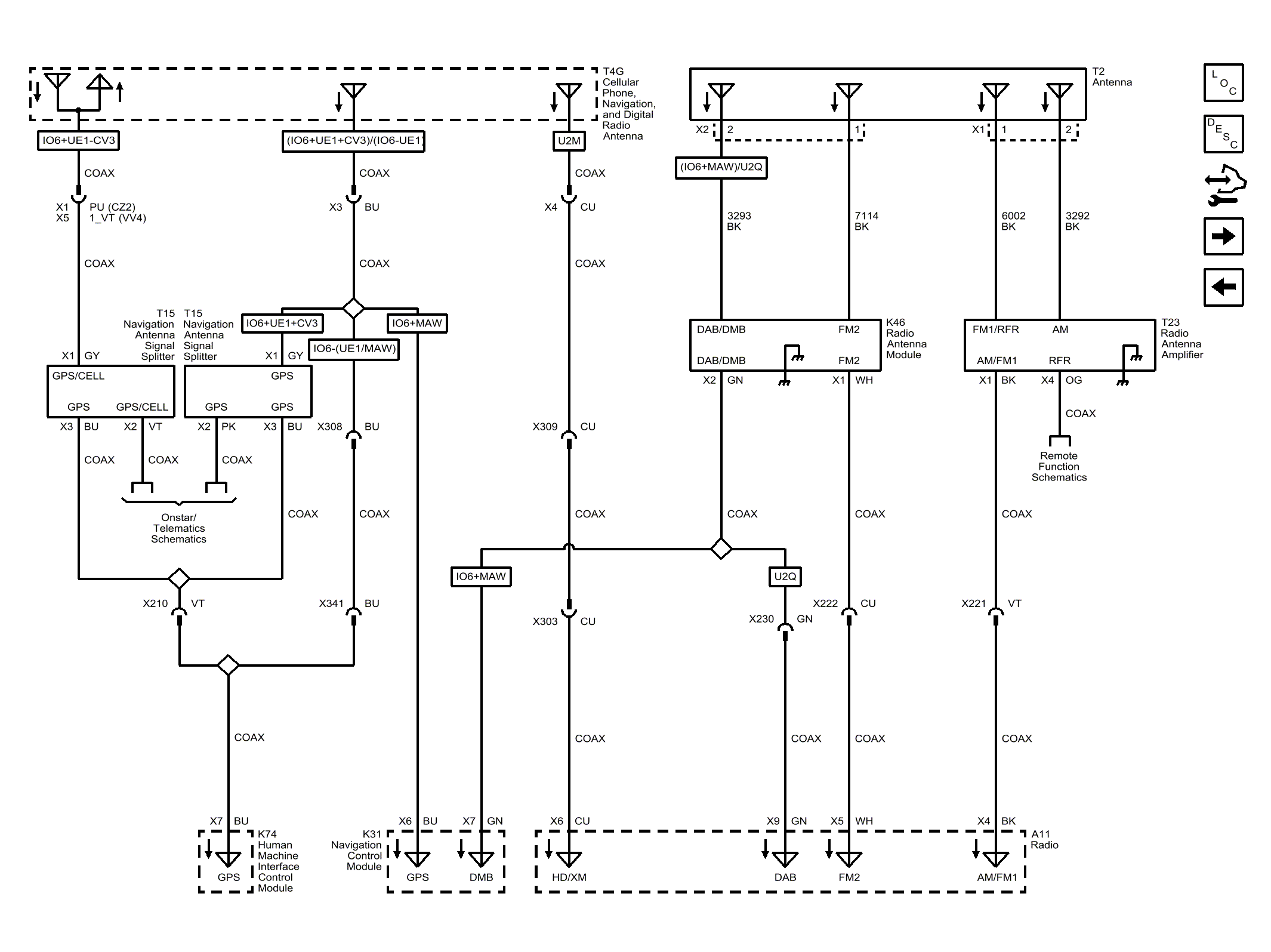
Radio/Navigation System Wiring Schematics: Antennas

WARNING: This page is about a different car, the 2015 Cadillac CTS. However, it is still accessible from the selected car via links, so may be relevant.
Fig 1: Antennas
GM3705148Courtesy of GENERAL MOTORS COMPANY