LEMON Manuals: Even more car manuals for everyone: 1960-2025
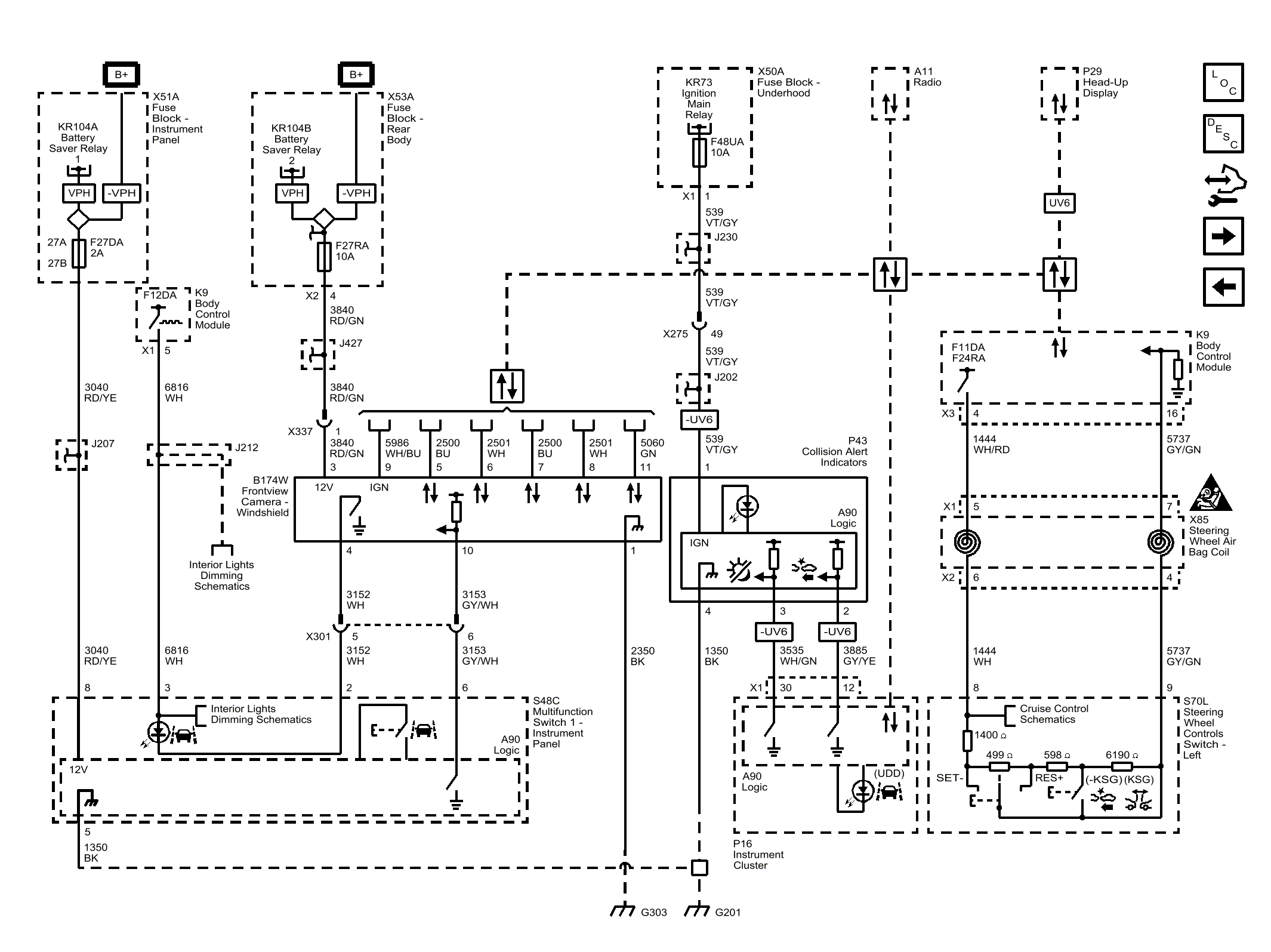
Home >> Cadillac >> 2017 >> CTS Base, RWD >> Repair and Diagnosis >> Accessories & Equipment >> Drivers Assistance Systems - ADAS >> Object Detection System And Pedestrian Protection System >> Schematic Wiring Diagrams >> Object Detection Wiring Schematics >> Lane Keep Assist (UHX-UGN) and Forward Collision Alert (UEU)
April 5, 2026: LEMON Manuals is launched! Read the announcement.

Lane Keep Assist (UHX-UGN) and Forward Collision Alert (UEU)

Fig 1: Lane Keep Assist (UHX-UGN) and Forward Collision Alert (UEU)
GM4493552Courtesy of GENERAL MOTORS COMPANY