LEMON Manuals: Even more car manuals for everyone: 1960-2025
Home >> Cadillac >> 2017 >> CTS Base, RWD >> Repair and Diagnosis >> Accessories & Equipment >> Drivers Assistance Systems - ADAS >> Object Detection System And Pedestrian Protection System >> Schematic Wiring Diagrams >> Object Detection Wiring Schematics >> Safety Alert Seat (UEU/UHX/UGN)
April 5, 2026: LEMON Manuals is launched! Read the announcement.

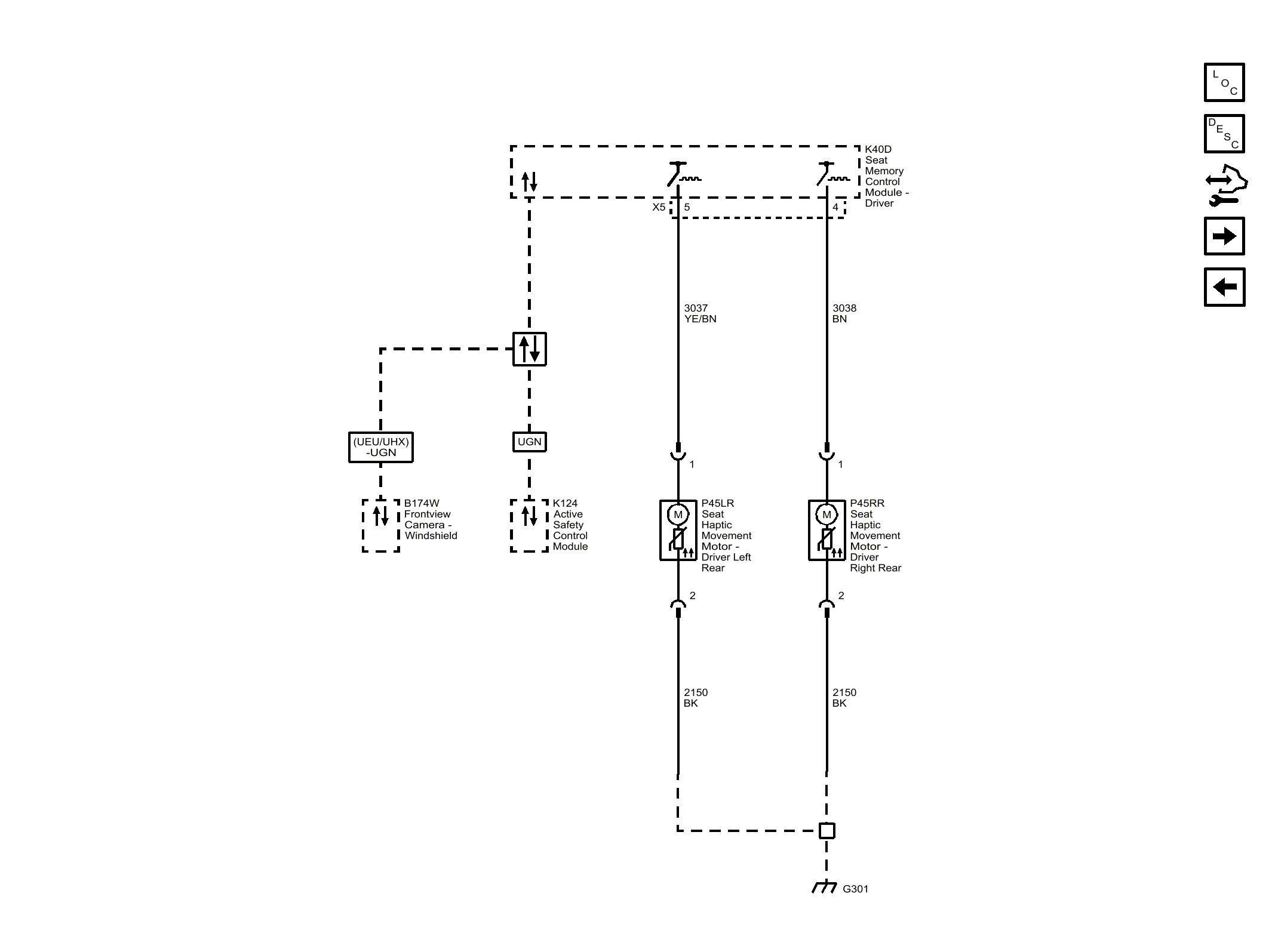
Safety Alert Seat (UEU/UHX/UGN)

Fig 1: Safety Alert Seat (UEU/UHX/UGN)
GM4493561Courtesy of GENERAL MOTORS COMPANY