LEMON Manuals: Even more car manuals for everyone: 1960-2025
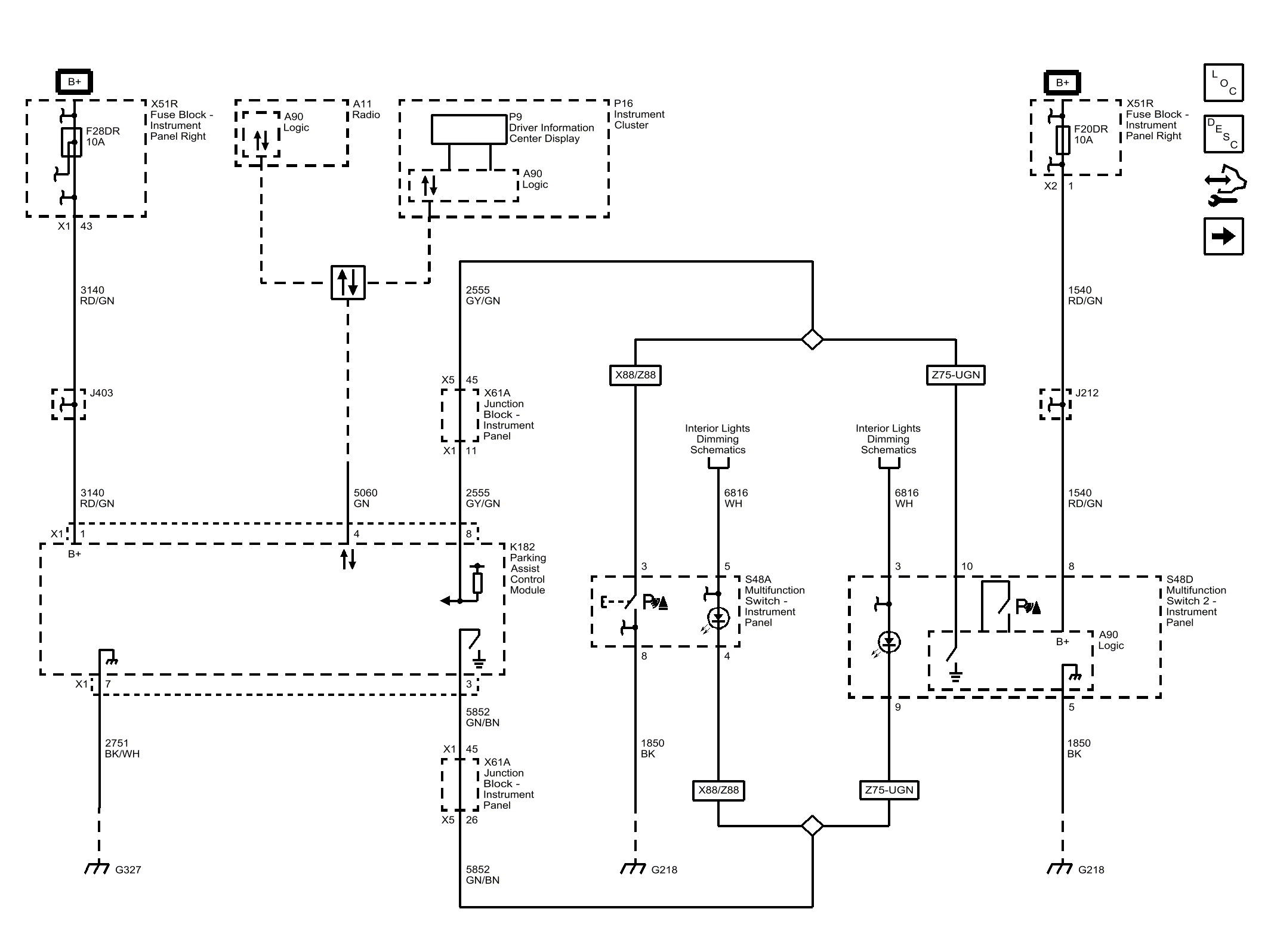
Home >> Cadillac >> 2017 >> Escalade ESV Base, 4WD >> Repair and Diagnosis >> Accessories & Equipment >> Drivers Assistance Systems - ADAS >> Object Detection System And Pedestrian Protection System - Schematic Wiring Diagrams >> Schematic Wiring Diagrams >> Object Detection Wiring Schematics >> Park Assist - Power, Ground, and Serial Data (UD5/UD7/UKG)
April 5, 2026: LEMON Manuals is launched! Read the announcement.

Park Assist - Power, Ground, and Serial Data (UD5/UD7/UKG)

Fig 1: Park Assist - Power, Ground, and Serial Data (UD5/UD7/UKG)
GM4499965Courtesy of GENERAL MOTORS COMPANY