LEMON Manuals: Even more car manuals for everyone: 1960-2025
Home >> Cadillac >> 2017 >> XT5 Base >> Repair and Diagnosis (Single Page) >> Accessories & Equipment >> Collision/Avoidance >> Object Detection System And Pedestrian Protection System >> Schematic Wiring Diagrams >> Object Detection Wiring Schematics >> Collision Alert Indicators and Safety Seat (UEU)
April 5, 2026: LEMON Manuals is launched! Read the announcement.

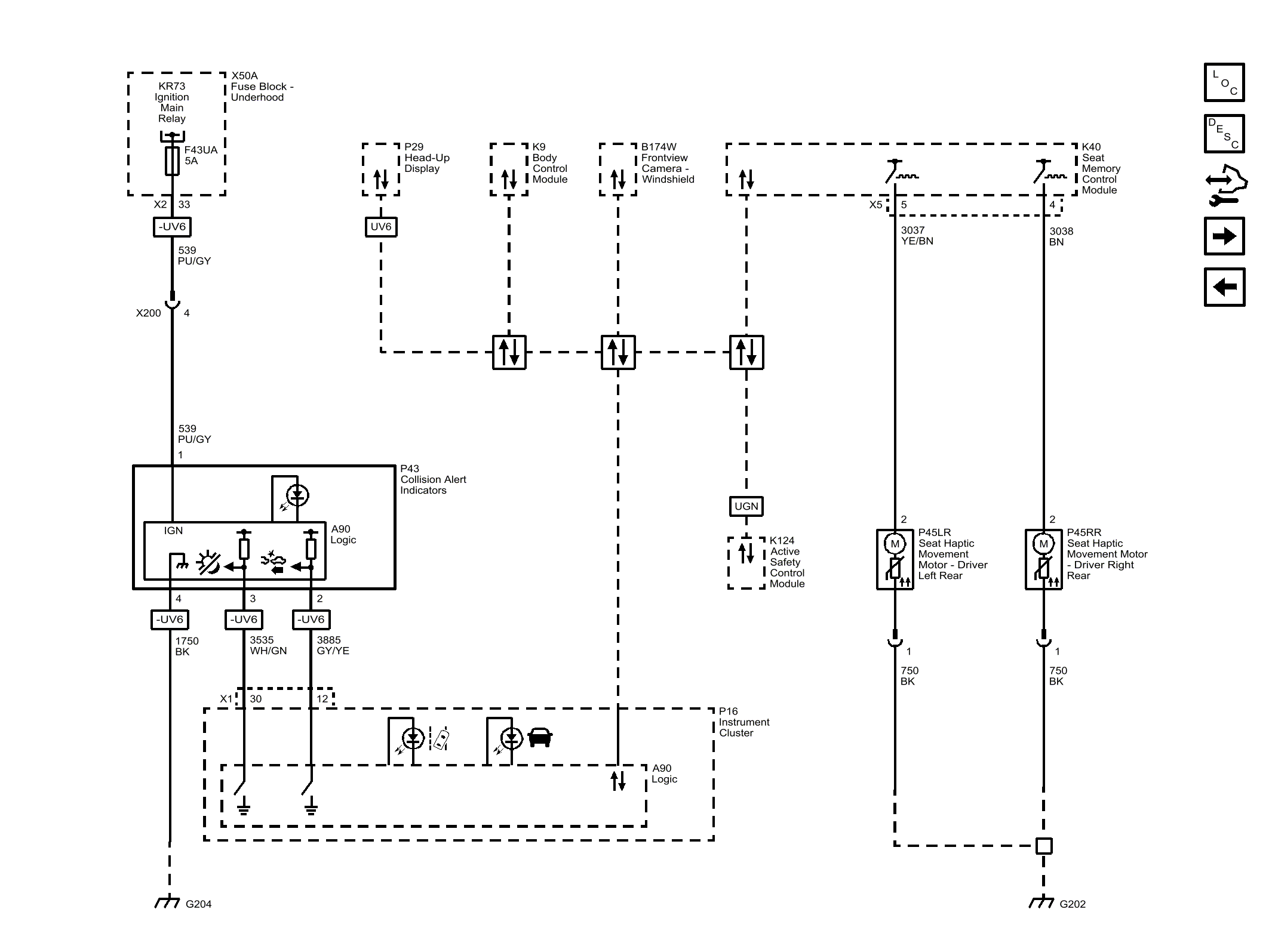
Collision Alert Indicators and Safety Seat (UEU)

Fig 1: Collision Alert Indicators and Safety Seat (UEU)
GM4304862Courtesy of GENERAL MOTORS COMPANY