LEMON Manuals: Even more car manuals for everyone: 1960-2025
Home >> Cadillac >> 2017 >> XT5 Base >> Repair and Diagnosis (Single Page) >> Accessories & Equipment >> Drivers Assistance Systems - ADAS >> Object Detection System And Pedestrian Protection System >> Schematic Wiring Diagrams >> Object Detection Wiring Schematics >> Rearview Camera (without UVH)
April 5, 2026: LEMON Manuals is launched! Read the announcement.

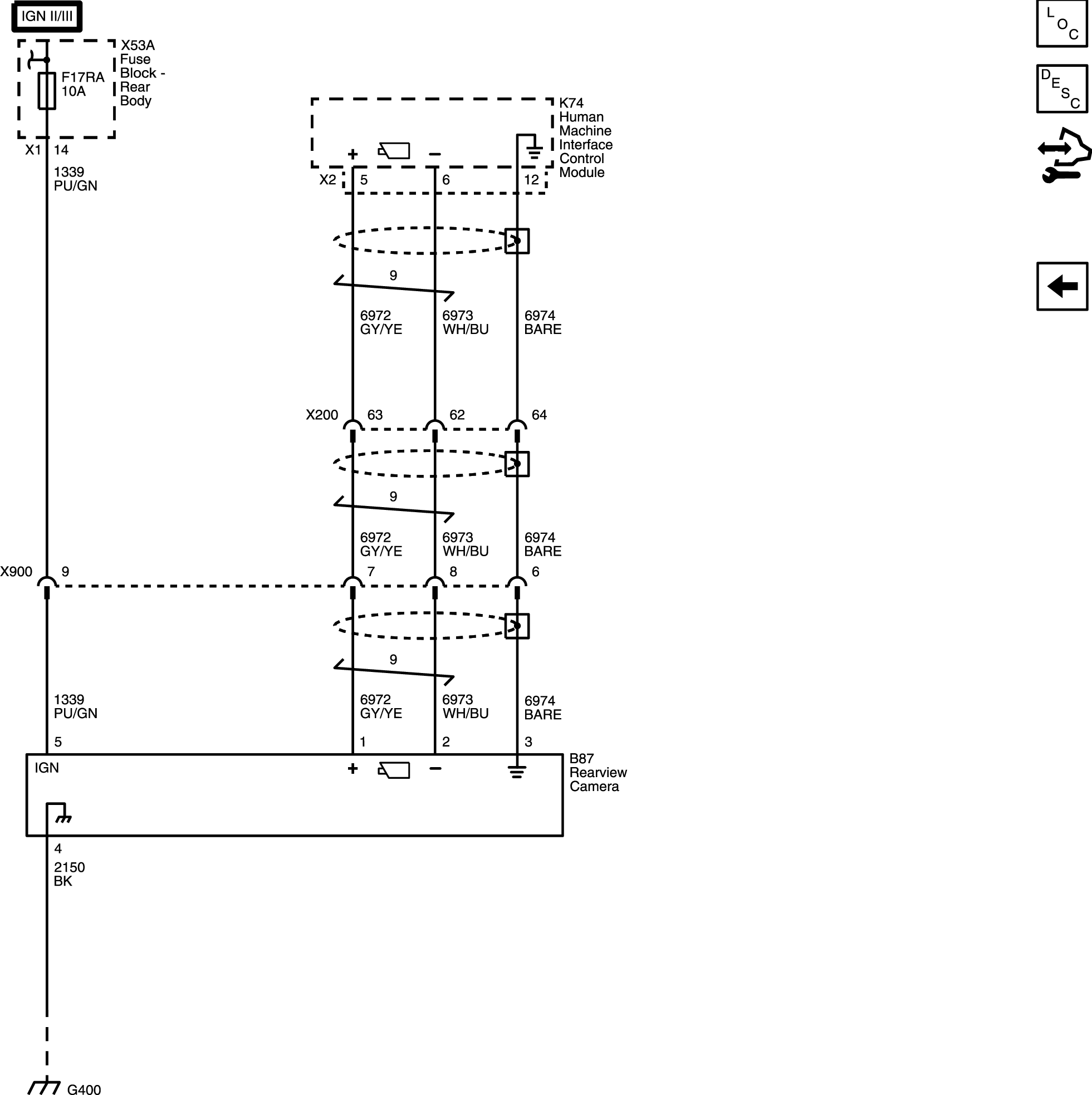
Rearview Camera (without UVH)

Fig 1: Rearview Camera (without UVH)
GM4306822Courtesy of GENERAL MOTORS COMPANY