LEMON Manuals: Even more car manuals for everyone: 1960-2025
Home >> Cadillac >> 2017 >> XT5 Base >> Repair and Diagnosis >> Accessories & Equipment >> Entertainment Systems >> Cellular System, Entertainment System, And Navigation System >> Schematic Wiring Diagrams >> OnStar/Telematics Wiring Schematics >> Controls and Audio Signals (UE1/UI3)
April 5, 2026: LEMON Manuals is launched! Read the announcement.

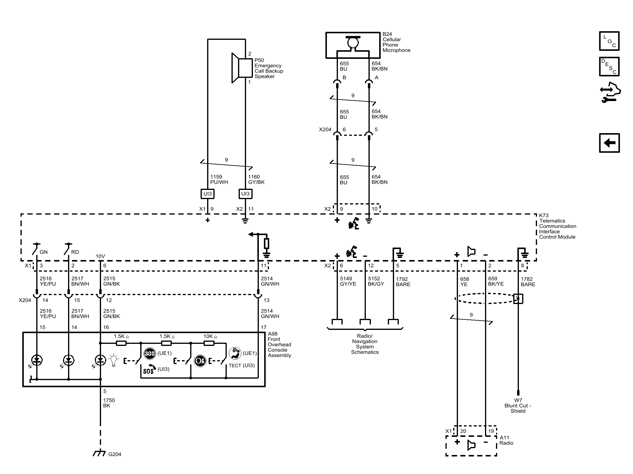
Controls and Audio Signals (UE1/UI3)

Fig 1: Controls and Audio Signals (UE1/UI3)
GM4298028Courtesy of GENERAL MOTORS COMPANY