LEMON Manuals: Even more car manuals for everyone: 1960-2025
Home >> Cadillac >> 2017 >> XT5 Base >> Repair and Diagnosis >> Body & Frame >> Windows >> Fixed And MOVEABLE Window System >> Schematic Wiring Diagrams >> Defogger Wiring Schematics >> Defogger
April 5, 2026: LEMON Manuals is launched! Read the announcement.

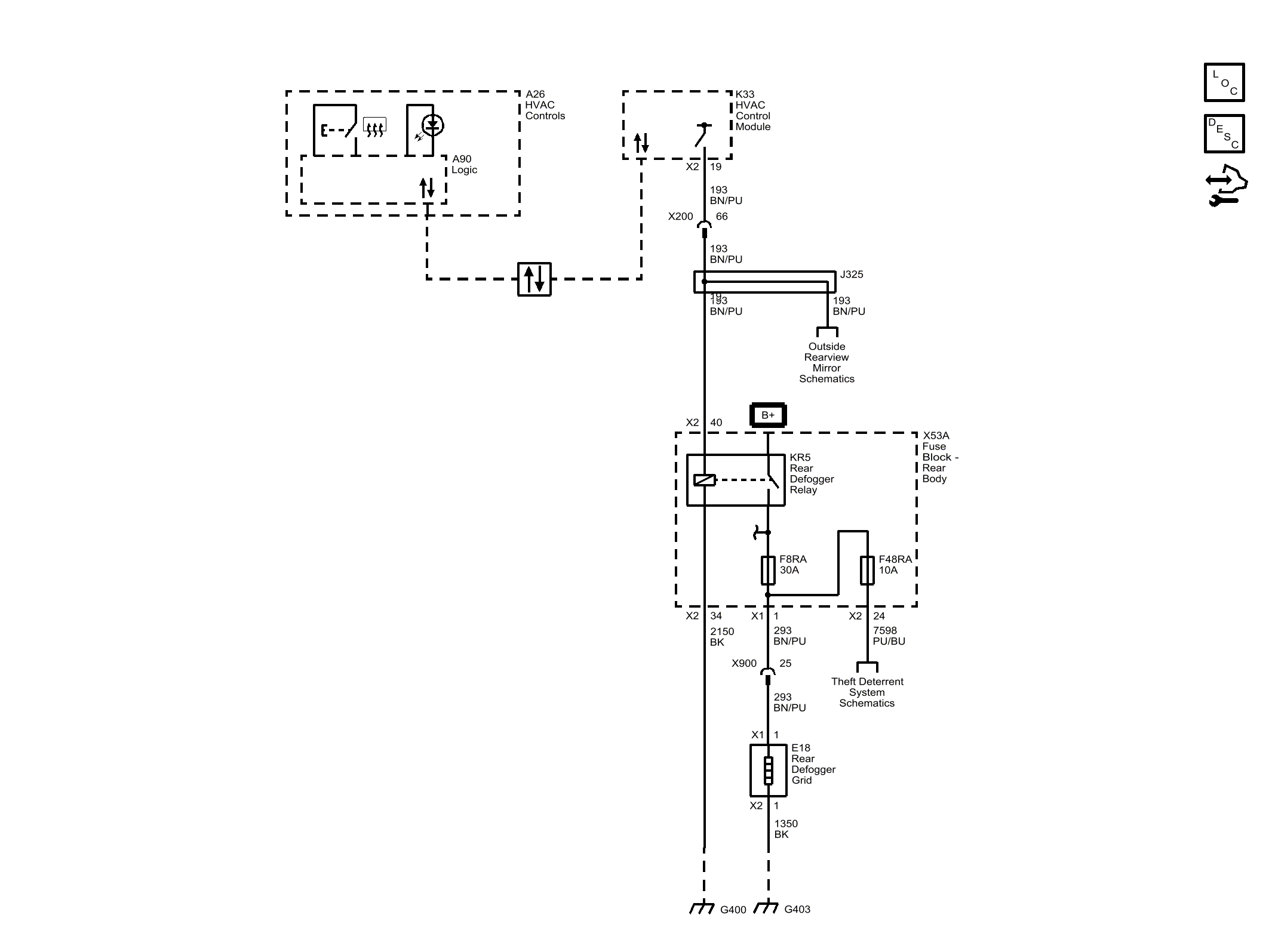
Defogger Wiring Schematics: Defogger

Fig 1: Defogger
GM4295887Courtesy of GENERAL MOTORS COMPANY