LEMON Manuals: Even more car manuals for everyone: 1960-2025
Home >> Cadillac >> 2017 >> XTS Base >> Repair and Diagnosis (Single Page) >> Accessories & Equipment >> Collision/Avoidance >> Object Detection System And Pedestrian Protection System >> Schematic and Wiring Diagrams >> Object Detection Wiring Schematics >> Comprehensive Safety Multifunction Switches (UGN/UVZ)
April 5, 2026: LEMON Manuals is launched! Read the announcement.

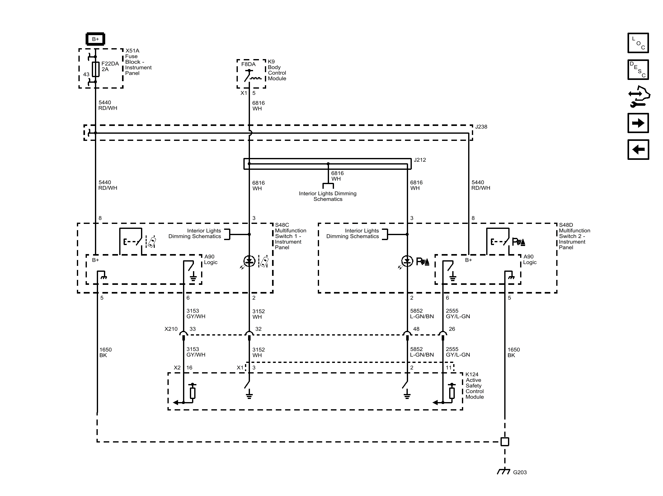
Comprehensive Safety Multifunction Switches (UGN/UVZ)

Fig 1: Comprehensive Safety Multifunction Switches (UGN/UVZ)
GM4454612Courtesy of GENERAL MOTORS COMPANY