LEMON Manuals: Even more car manuals for everyone: 1960-2025
Home >> Cadillac >> 2017 >> XTS Base >> Repair and Diagnosis (Single Page) >> Accessories & Equipment >> Wiper/Washer Systems >> Wiper System And Washer System >> Schematic Wiring Diagrams >> Wiper/Washer Wiring Schematics >> Headlamp Washer (CE4), Windshield Washer and Rain/Ambient Light Sensor Module
April 5, 2026: LEMON Manuals is launched! Read the announcement.

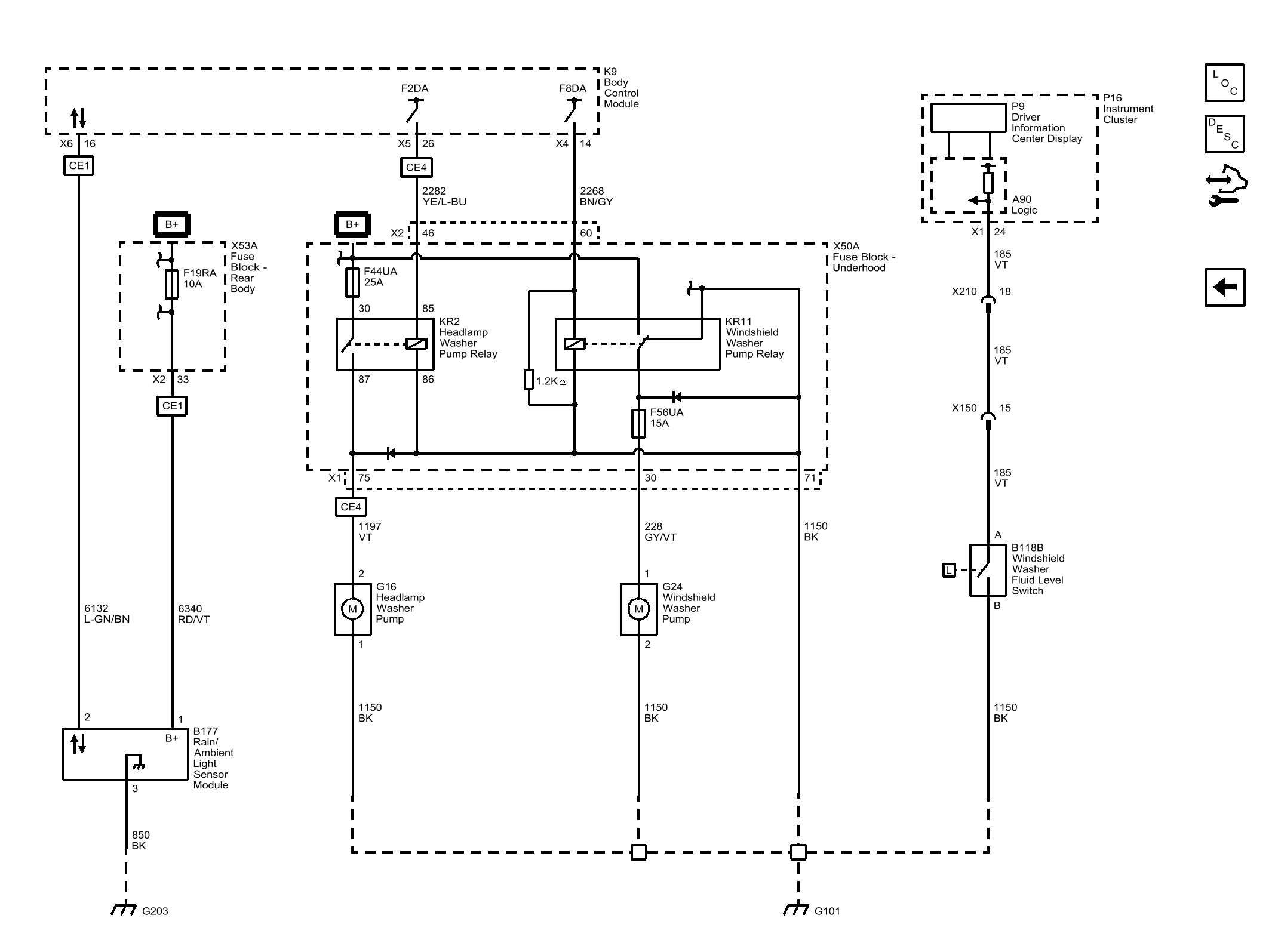
Headlamp Washer (CE4), Windshield Washer and Rain/Ambient Light Sensor Module

Fig 1: Headlamp Washer (CE4), Windshield Washer and Rain/Ambient Light Sensor Module
GM4453979Courtesy of GENERAL MOTORS COMPANY