LEMON Manuals: Even more car manuals for everyone: 1960-2025
Home >> Cadillac >> 2018 >> ATS Base, 4D Sedan, AWD >> Repair and Diagnosis >> Transmission >> Automatic Trans >> Shift Lock Control System >> Schematic Wiring Diagrams >> Shift Lock Control Wiring Schematics >> Shift Lock Control (M5N/M5U)
April 5, 2026: LEMON Manuals is launched! Read the announcement.

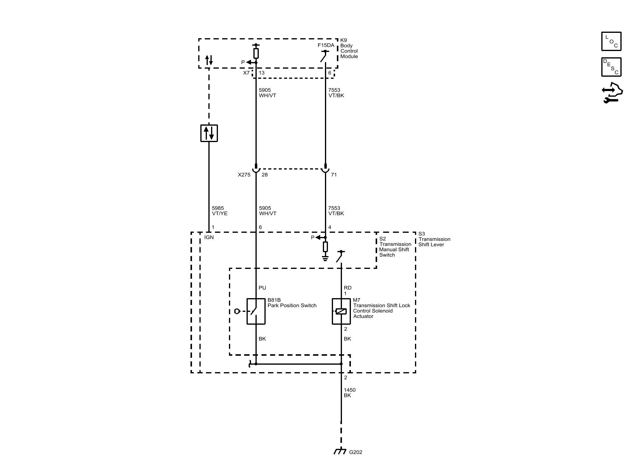
Shift Lock Control (M5N/M5U)

GM4677422Courtesy of GENERAL MOTORS COMPANY