LEMON Manuals: Even more car manuals for everyone: 1960-2025
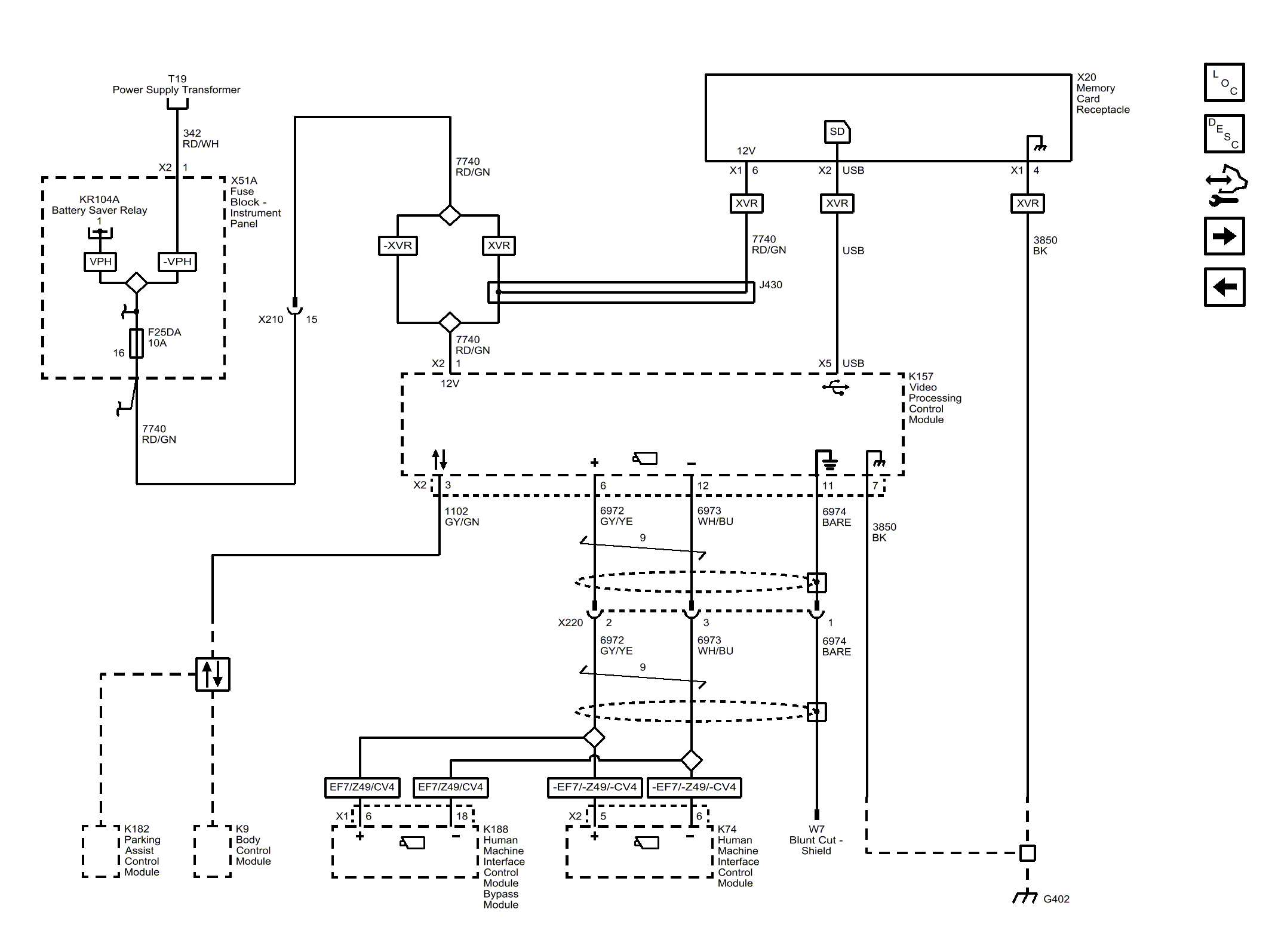
Home >> Cadillac >> 2018 >> CT6 Plug-In >> Repair and Diagnosis (Single Page) >> Accessories & Equipment >> Collision/Avoidance >> Image Display Camera Systems >> Schematic Wiring Diagrams >> Image Display Camera Wiring Schematics >> 360 Degree Vision - Memory Card Receptacle (XVR) and Module Power, Ground, Serial Data, and Camera Signals (UVH)
April 5, 2026: LEMON Manuals is launched! Read the announcement.

360 Degree Vision - Memory Card Receptacle (XVR) and Module Power, Ground, Serial Data, and Camera Signals (UVH)

GM4598709Courtesy of GENERAL MOTORS COMPANY