LEMON Manuals: Even more car manuals for everyone: 1960-2025
Home >> Cadillac >> 2018 >> CT6 Plug-In >> Repair and Diagnosis (Single Page) >> Accessories & Equipment >> Collision/Avoidance >> Image Display Camera Systems >> Schematic Wiring Diagrams >> Image Display Camera Wiring Schematics >> HMI Control Module Bypass Module (EF7, Z49 and CV4)
April 5, 2026: LEMON Manuals is launched! Read the announcement.

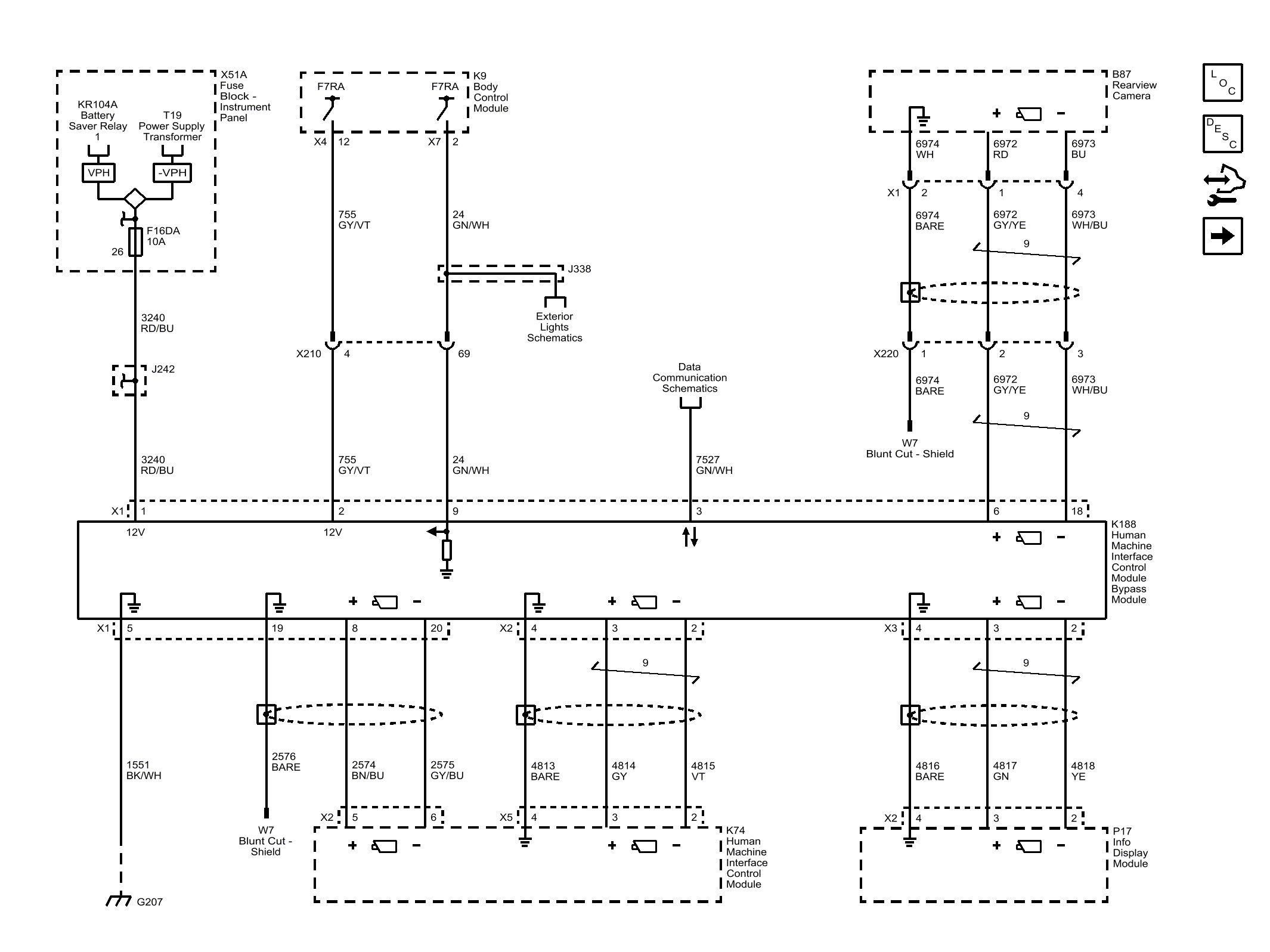
HMI Control Module Bypass Module (EF7, Z49 and CV4)

GM4825275Courtesy of GENERAL MOTORS COMPANY