LEMON Manuals: Even more car manuals for everyone: 1960-2025
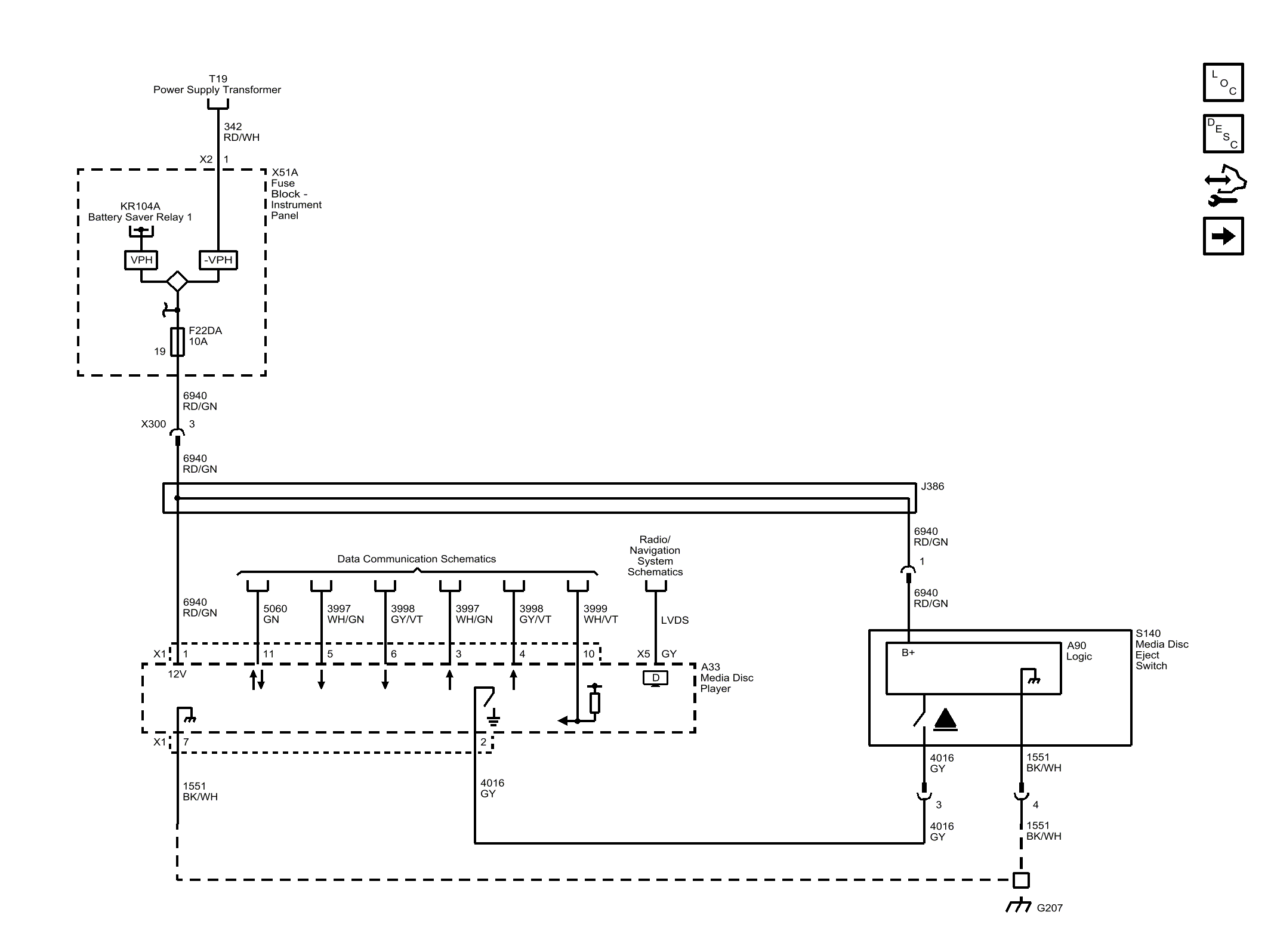
Home >> Cadillac >> 2018 >> CT6 Plug-In >> Repair and Diagnosis (Single Page) >> Accessories & Equipment >> Entertainment Systems >> Cellular System, Entertainment System, And Navigation System - Schematic Wiring Diagrams >> Schematic Wiring Diagrams >> Video System Wiring Schematics >> Media Disc Player Power, Ground, Serial Data, Subsystem References, and Media Disc Eject Switch
April 5, 2026: LEMON Manuals is launched! Read the announcement.

Media Disc Player Power, Ground, Serial Data, Subsystem References, and Media Disc Eject Switch

GM4598158