LEMON Manuals: Even more car manuals for everyone: 1960-2025
Home >> Cadillac >> 2018 >> CT6 Plug-In >> Repair and Diagnosis >> Accessories & Equipment >> Memory Modules >> Secondary And Configurable Customer Controls >> Schematic Wiring Diagrams >> Steering Wheel Secondary/Configurable Control Wiring Schematics >> Steering Wheel Controls
April 5, 2026: LEMON Manuals is launched! Read the announcement.

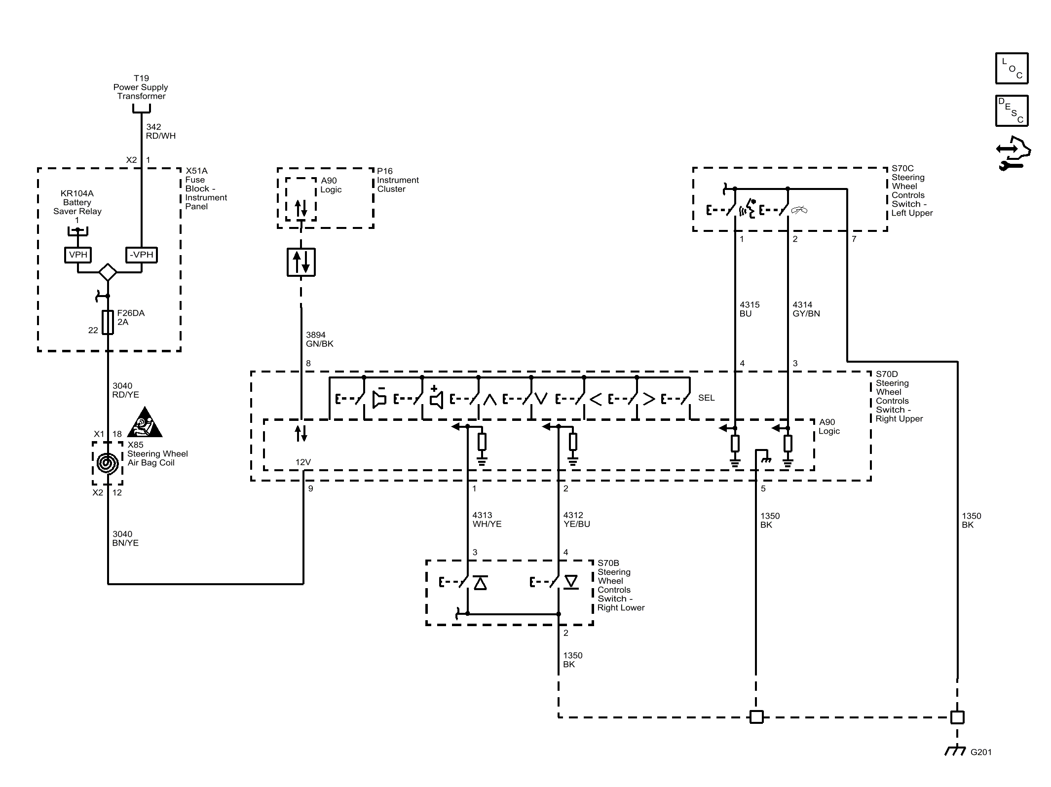
Steering Wheel Controls

GM4598205Courtesy of GENERAL MOTORS COMPANY