LEMON Manuals: Even more car manuals for everyone: 1960-2025
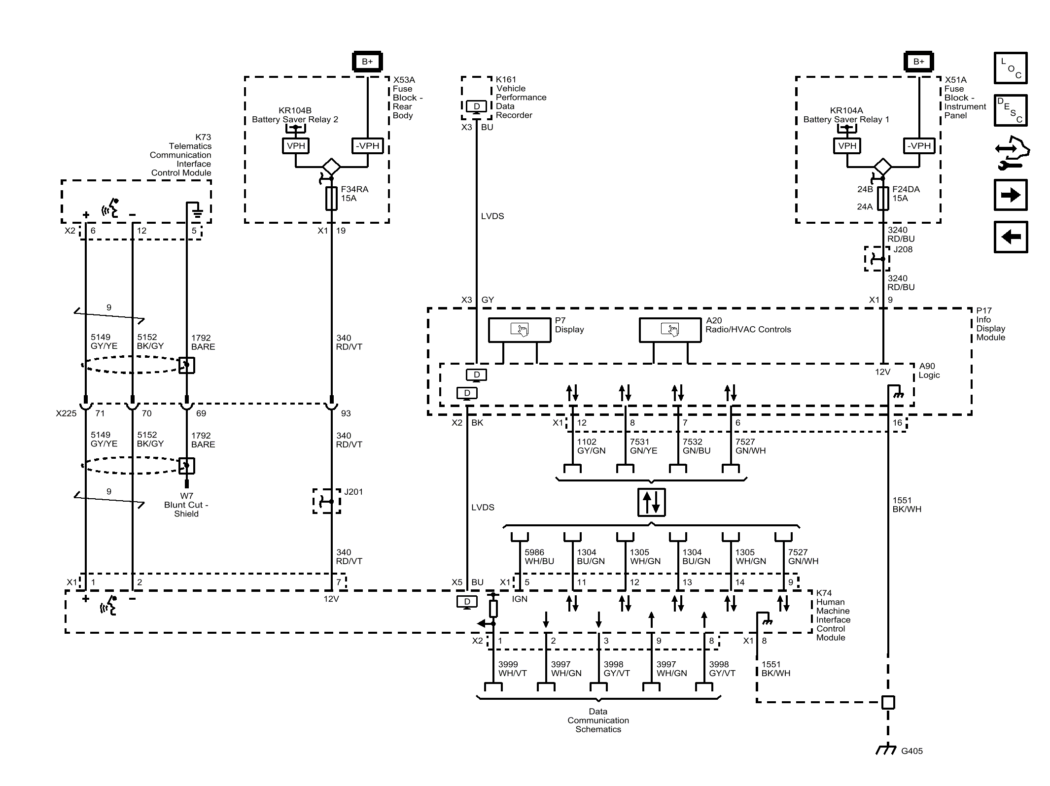
Home >> Cadillac >> 2018 >> CTS Base, AWD >> Repair and Diagnosis (Single Page) >> Accessories & Equipment >> Entertainment Systems >> Cellular System, Entertainment System, And Navigation System - Schematic Wiring Diagrams >> Schematic Wiring Diagrams >> Radio/Navigation System Wiring Schematics (IO6) >> Human Machine Interface and Display, Power, Ground, Serial Data and Microphone
April 5, 2026: LEMON Manuals is launched! Read the announcement.

Human Machine Interface and Display, Power, Ground, Serial Data and Microphone

GM4693951Courtesy of GENERAL MOTORS COMPANY