LEMON Manuals: Even more car manuals for everyone: 1960-2025
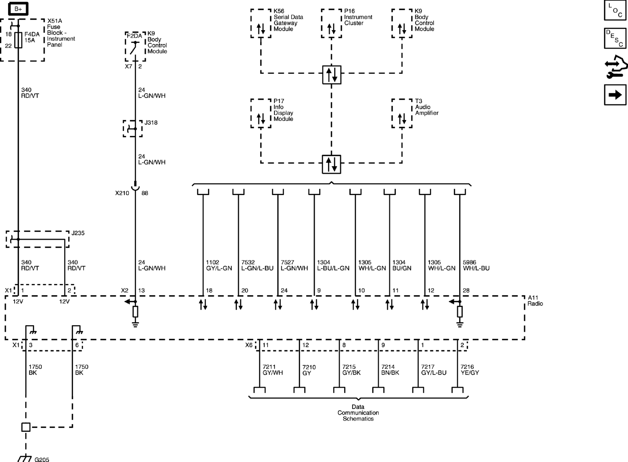
Home >> Cadillac >> 2018 >> XTS Base >> Repair and Diagnosis (Single Page) >> Accessories & Equipment >> Entertainment Systems >> Cellular System, Entertainment System, And Navigation System >> Schematic Wiring Diagrams >> Radio/Navigation System Wiring Schematics >> Power, Ground, and Serial Data
April 5, 2026: LEMON Manuals is launched! Read the announcement.

Power, Ground, and Serial Data

GM4732161Courtesy of GENERAL MOTORS COMPANY