LEMON Manuals: Even more car manuals for everyone: 1960-2025
Home >> Cadillac >> 2019 >> ATS Base, AWD >> Repair and Diagnosis >> Accessories & Equipment >> Anti-Theft Systems >> Remote Functions System >> Schematic Wiring Diagrams >> Remote Function Wiring Schematics >> Keyless Entry - Passive and Keyless Start
April 5, 2026: LEMON Manuals is launched! Read the announcement.

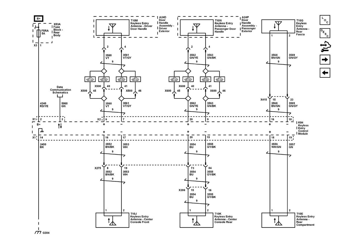
Keyless Entry - Passive and Keyless Start

GM4939056Courtesy of GENERAL MOTORS COMPANY