LEMON Manuals: Even more car manuals for everyone: 1960-2025
Home >> Cadillac >> 2019 >> CT6 V >> Repair and Diagnosis (Single Page) >> Accessories & Equipment >> Drivers Assistance Systems - ADAS >> Driver Assistance Systems >> Schematic Wiring Diagrams >> Driver Assistance Systems Wiring Schematics (UKL) >> Steering Column Friction Control Module
April 5, 2026: LEMON Manuals is launched! Read the announcement.

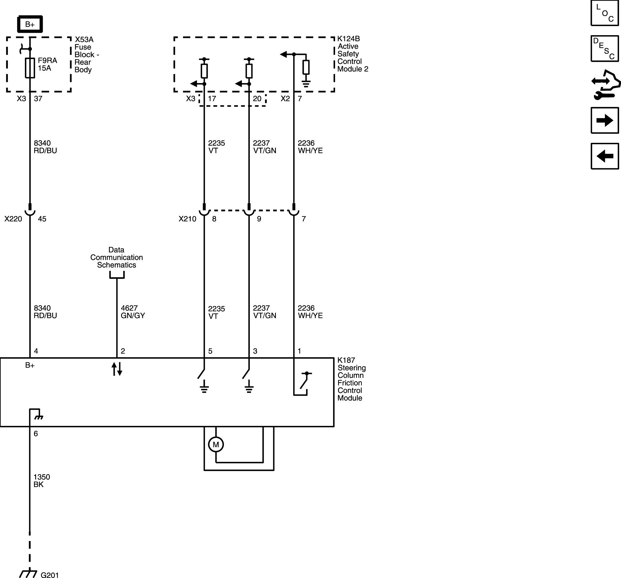
Steering Column Friction Control Module

GM5027200Courtesy of GENERAL MOTORS COMPANY